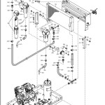
Atlas Copco XAS 47 Dd(G) - XAS 90 DD7 Engine D2011L02 Spare Parts List 2955 1300 00
Size: 10.45 MB
Machine: Portable Compressors
Machine Model: XAS 47 Dd(G) - XAS 90 DD7 Engine D2011L02
Publication Date: 2007
Page: 188 Pages
Part Number: 2955 1300 00
#More Product: Atlas Copco Parts Manual


