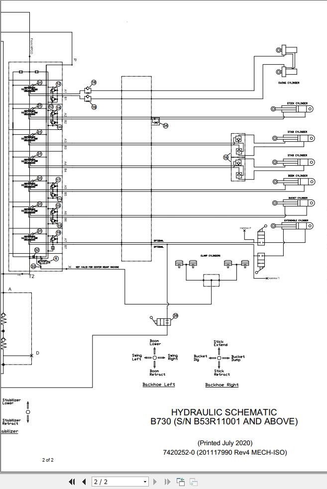
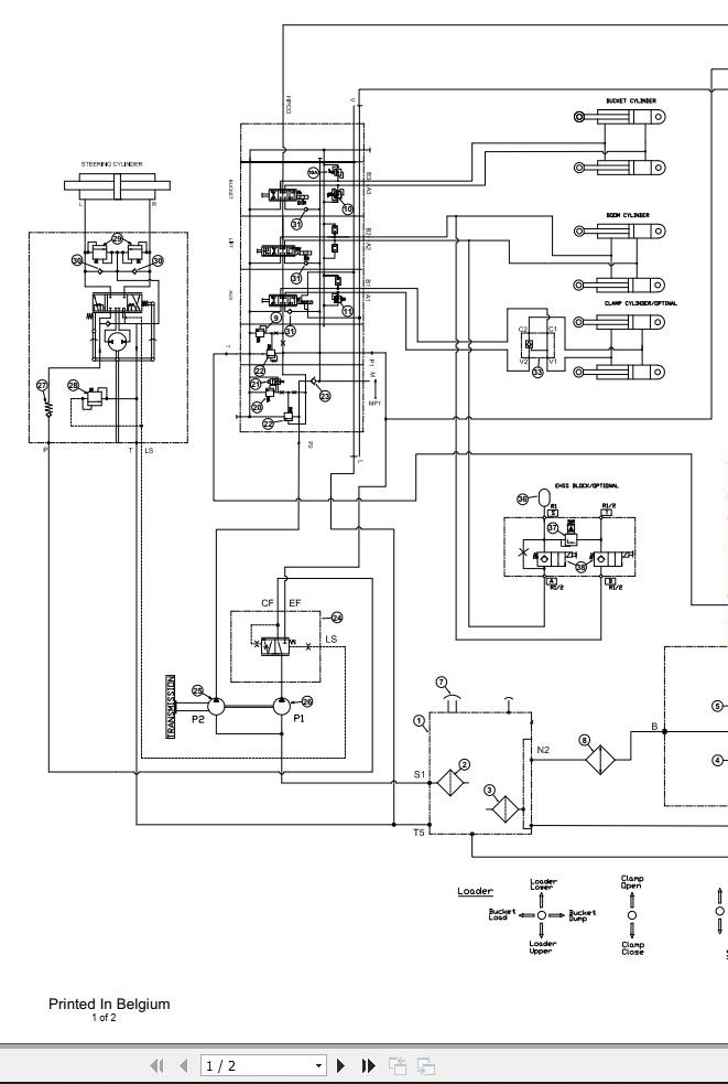
Bobcat B730 Hydraulic Schematic 7402302
Size: 922 KB
Machine: Machinery
Machine Model: B730
Part Number: 7402302
Contents:
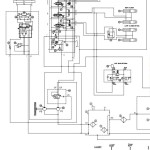
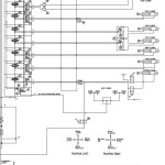
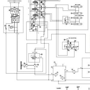
B730 G2 Hyd 7420252 MECH-ISO-2
B730 G2 Hyd 7420253 PILOT-2
B730 G2 Hyd 7420254 MECH-SAE-2
V-1744 Hyd Legend
Bobcat B730 Hydraulic Schematic 7402302
Size: 922 KB
Machine: Machinery
Machine Model: B730
Part Number: 7402302
Contents:
B730 G2 Hyd 7420252 MECH-ISO-2
B730 G2 Hyd 7420253 PILOT-2
B730 G2 Hyd 7420254 MECH-SAE-2
V-1744 Hyd Legend


