Bobcat BATS Advanced Troubleshooting 01.2022
Size: 5.06 GB
Languages: English
Brand: Bobcat
Region: All regions
Operating System: Windows 7, Windows 8, Windows 10, Windows 11 (Tested on Windows 10 pro 64bit 22H2)
Update: 01.2022
Version: 2.4
Installation: Multiple PCs
Instruction: Present
Supporter: Present
Contact Us : “CLICK HERE ”
Payment Method : “CLICK HERE ”
Shopping Guide : “CLICK HERE ”



Bobcat BATS 01.2022 Advanced Troubleshooting System
Bobcat BATS 2022
BATS v2.4 2022
Bobcat 2022 BATS v2.4
Bobcat BATS Advanced Troubleshooting System Updated 2022
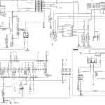
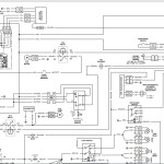
Bobcat Full Electrical Diagram Schematics Updated 2022
Bobcat Full Hydraulic Diagram Schematics Updated 2022
Bobcat Full Electrical & Hydraulic Schematics Updated 2022
Bobcat BATS All Service Codes Updated 2022
Bobcat BATS All Service Letters and Service News Updated 2022
Bobcat BATS All Components Updated 2022
Bobcat Advanced Troubleshooting System (BATS) 2022 is an electronic document database encompassing. Electrical Troubleshooting, Electrical Schematics, Hydraulic Schematics, Safety, and Maintenance information
Bobcat Advanced Troubleshooting System. All technical information for:
Bobcat excavators/loader/telescopic handlers. Wiring diagrams, error codes, service bulletins, modifications etc.
Bobcat Advanced Troubleshooting System BATS Version














