Bobcat CT1025 Electric and Hydraulic Schematic
Size: 582 KB
Machine: Machinery
Machine Model: CT1025
Contents:
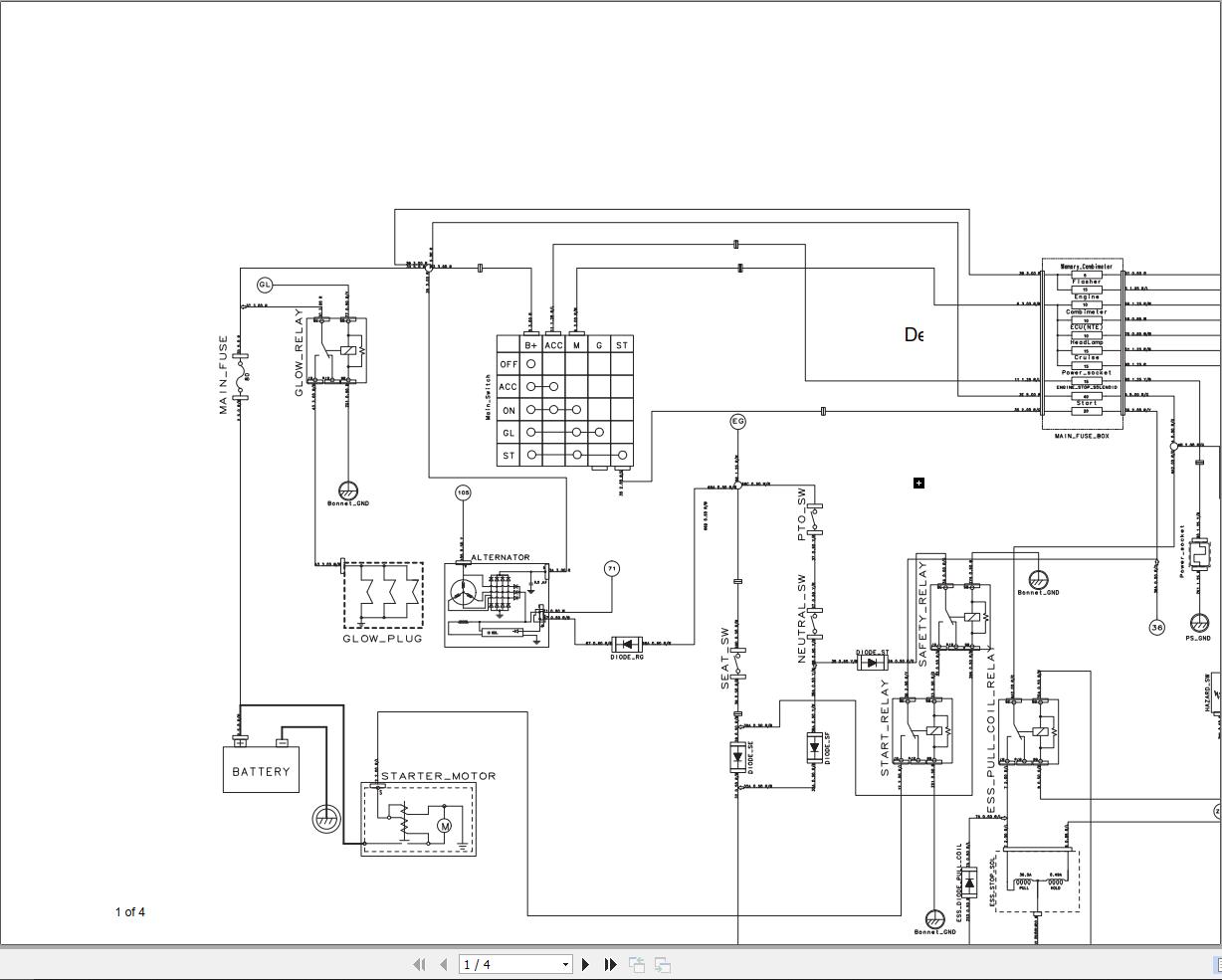
Bobcat CT1025 Electric Schematic 7412977
Bobcat CT1025 Hydruclic Schematic 7412977
Bobcat CT1025 Electric and Hydraulic Schematic
Size: 582 KB
Machine: Machinery
Machine Model: CT1025
Contents:
Bobcat CT1025 Electric Schematic 7412977
Bobcat CT1025 Hydruclic Schematic 7412977


