Bobcat CT1025 Service Manual
Size: 60.9 MB
Machine: Compact Tractor
Machine Model: CT1025
Contents:
Bobcat CT1025 Service Manual 7398893 2019 (415 Pages)
Bobcat CT1025 Service Manual 7412977 2020 (423 Pages)
The Bookmarks of Bobcat CT1025 Compact Tractor Service Manual:
Safety First
General
Engine
Transmission
Hst
Rear Axle
Brake
Front Axle
Steering System
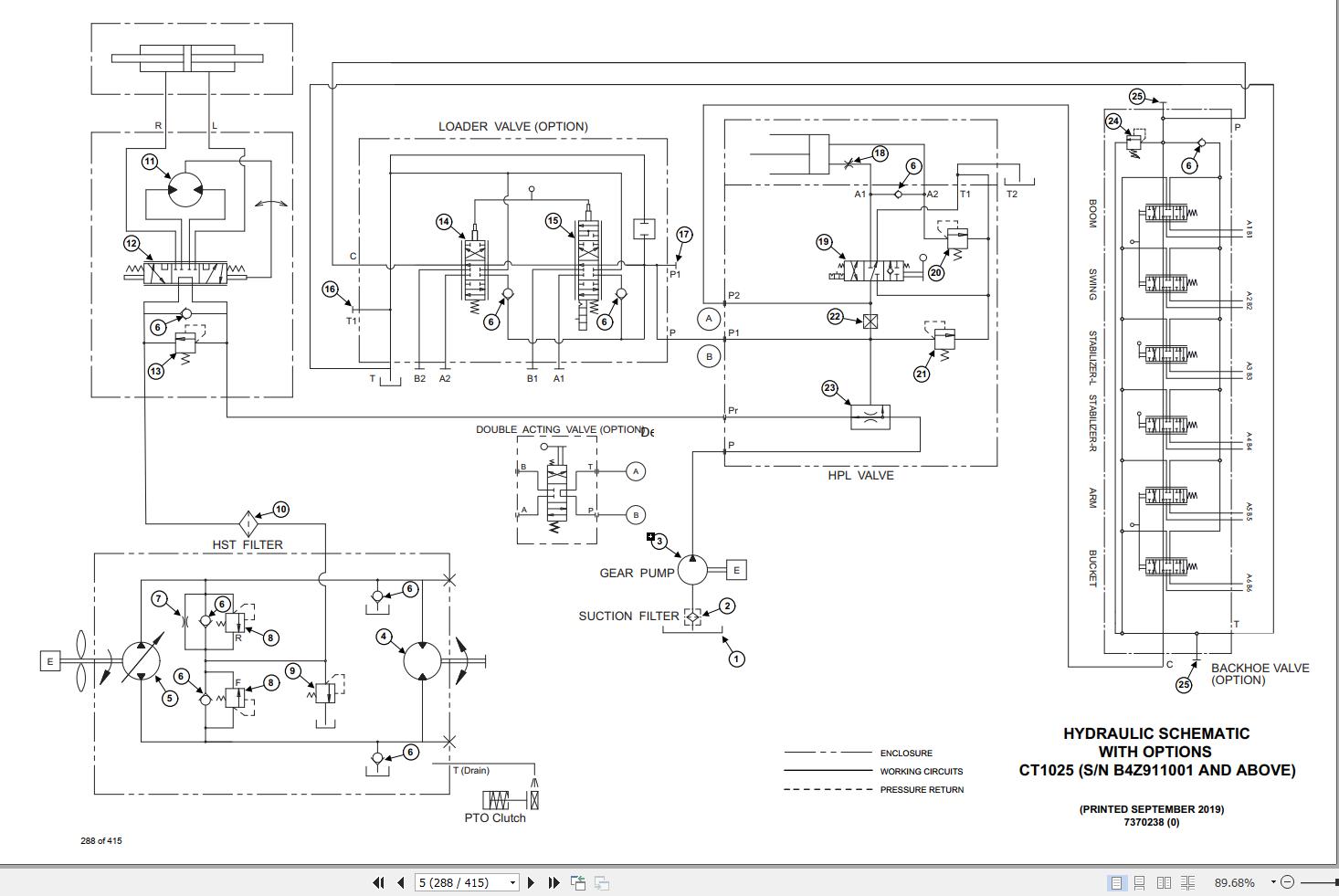
Hydrauuc System
Electric System
Index


