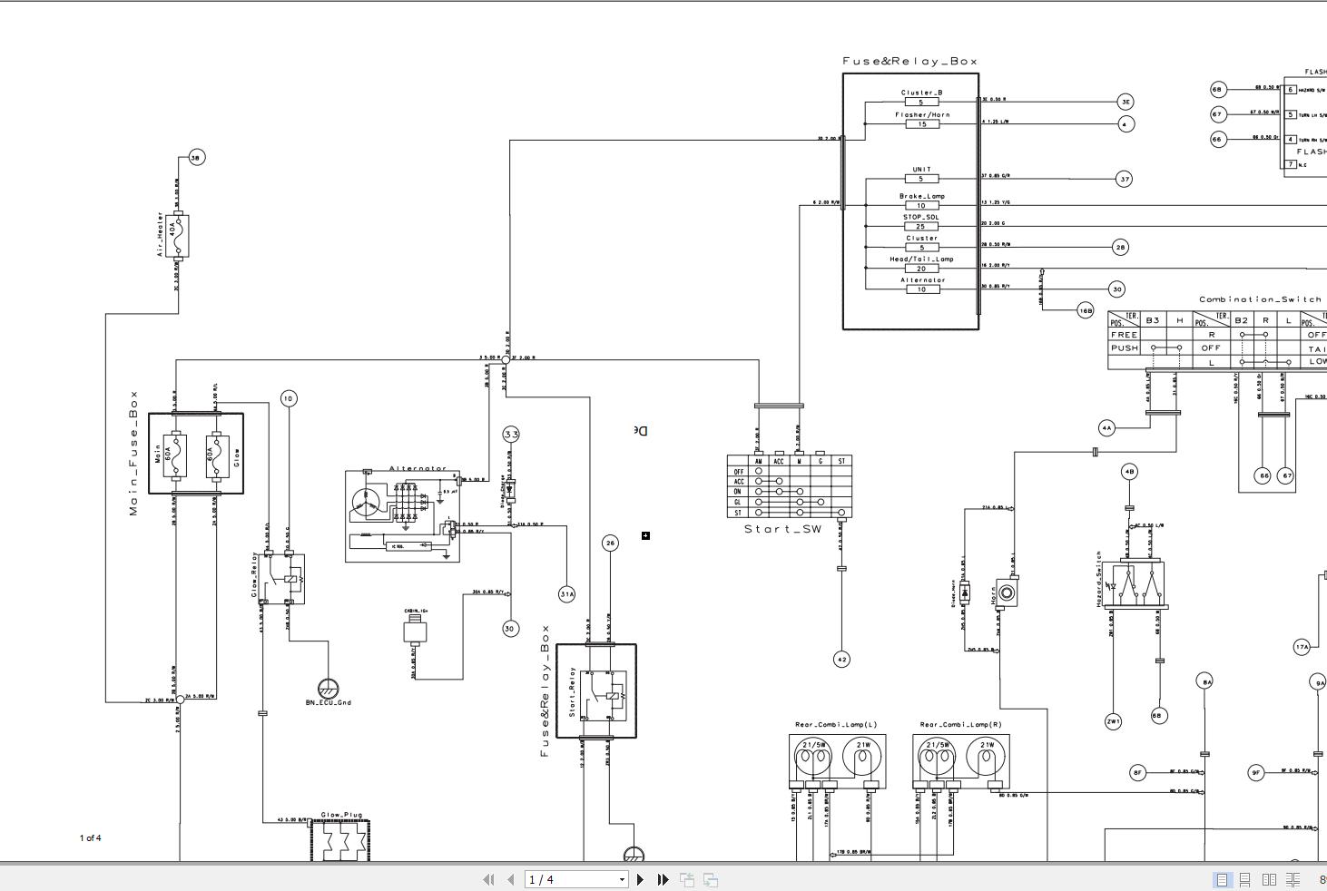
Bobcat CT2025 CT2035 CT2040 CT2535 CT2540 Electric Schematic
Size: 911 KB
Machine: Machinery
Machine Model: CT2025 CT2035 CT2040 CT2535 CT2540
Contents:
Bobcat CT2025 Electric Schematic 7395666-4
Bobcat CT2025, CT2035, CT2040 Electric Schematic_Cacbin 7397249-4
Bobcat CT2035 CT2040 Electric Schematic_1 7397244-4
Bobcat CT2035 CT2040 Electric Schematic_2 7397244-4


