Bobcat CT2025 CT2035 CT2040 CT2535 CT2540 Service Manual 7371865
Machine: Compact Tractor
Machine Model: CT2025 CT2035 CT2040 CT2535 CT2540
Series Number:
(CT2025 HST) S/N B4VH11001 & Above
(CT2025 MAN) S/N B4VJ11001 & Above
(CT2035 HST) S/N B4VK11001 & Above
(CT2035 MAN) S/N B4VL11001 & Above
(CT2040 HST) S/N B4VM11001 & Above
(CT2040 MAN) S/N B4VN11001 & Above
(CT2535 HST) S/N B4VP11001 & Above
(CT2535 MAN) S/N B4VZ11001 & Above
(CT2540 HST) S/N B4VR11001 & Above
(CT2540 MAN) S/N B4W111001 & Above
Publication Date: 2019
Page: 717 Pages
Part Number: 7371865
The Bookmarks of Bobcat CT2025 CT2035 CT2040 CT2535 CT2540 Compact Tractor Service Manual:
Safety First
General
Engine
Clutch
Transmission
Hst (Hst Model)
Rear Axle
Brake
Front Axle
Steering System
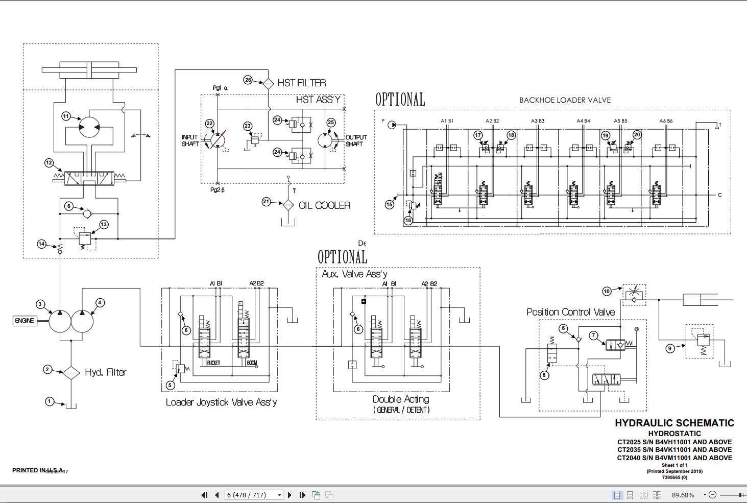
Hydrauuc System
Electric System And Diagnosis
Index


