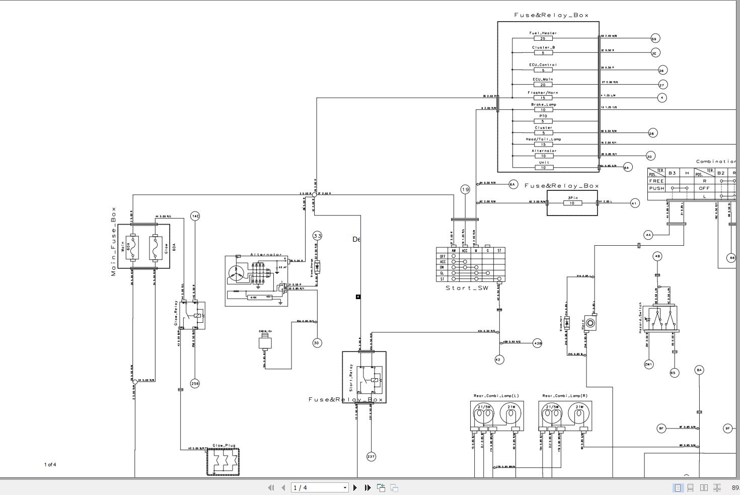
Bobcat CT2035-CT2040 Electric and Hydraulic Schematic
Size: 984 KB
Machine: Machinery
Machine Model: CT2035-CT2040
Contents:
Bobcat Ct2035-CT2040 Electric Schematic 7397244
Bobcat CT2035-CT2040 Hydraulic Schematic 7396722
Bobcat CT2035-CT2040 Electric and Hydraulic Schematic
Size: 984 KB
Machine: Machinery
Machine Model: CT2035-CT2040
Contents:
Bobcat Ct2035-CT2040 Electric Schematic 7397244
Bobcat CT2035-CT2040 Hydraulic Schematic 7396722


