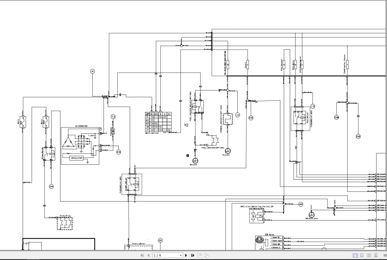
Bobcat CT4045 CT4050 CT4058 Electric and Hydraulic Schematic
Size: 1.14 MB
Machine: Machinery
Machine Model: CT4045 CT4050 CT4058
Contents:
Bobcat CT4045 CT4050 CT4058 Electric Schematic 7397247
Bobcat CT4045 CT4050 CT4058 Hydraulic Schematic 7397351


