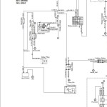
Bobcat CT4045 CT4055 Electric and Hydraulic Schematic
Size: 457 KB
Machine: Machinery
Machine Model: CT4045 CT4055
Contents:
Bobcat CT4045 CT4055 Electric Schematic_V1743-2
Bobcat CT4045 CT4055 Hydraulic Schematic 7397351
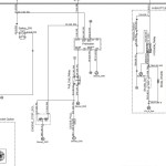
Bobcat CT4045 CT4055 Electric and Hydraulic Schematic
Size: 457 KB
Machine: Machinery
Machine Model: CT4045 CT4055
Contents:
Bobcat CT4045 CT4055 Electric Schematic_V1743-2
Bobcat CT4045 CT4055 Hydraulic Schematic 7397351


