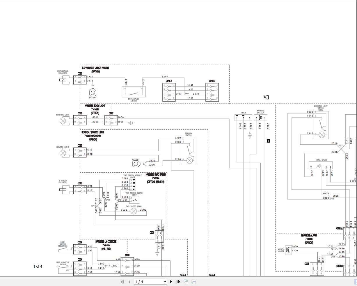
Bobcat E08 Electric and Hydraulic Schematic
Size: 889 KB
Machine: Compact Excavator
Machine Model: E08
Contents:
Bobcat E08 Electric Schematic 6986785
Bobcat E08 Hydraulic Schematic 6986785
Bobcat E08 Electric and Hydraulic Schematic
Size: 889 KB
Machine: Compact Excavator
Machine Model: E08
Contents:
Bobcat E08 Electric Schematic 6986785
Bobcat E08 Hydraulic Schematic 6986785


