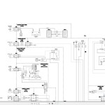
Bobcat E10 Electric and Hydraulic Schematic
Size: 1.13 MB
Machine: Compact Excavator
Machine Model: E10
Contents:
Bobcat E10 Electric Schematic 6986788
Bobcat E10 Hydraulic Schematic 6986788
Bobcat E10 Electric and Hydraulic Schematic
Size: 1.13 MB
Machine: Compact Excavator
Machine Model: E10
Contents:
Bobcat E10 Electric Schematic 6986788
Bobcat E10 Hydraulic Schematic 6986788


