Bobcat E10 Service Manual 6986788
Size: 22.9 MB
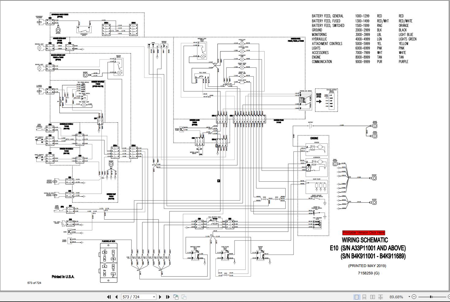
Machine: Compact Excavator
Machine Model: E10
Series Number:
S/N A33P11001 & Above
S/N B4PD11001 & Above
S/N B4K911001 & Above
Publication Date: 2020
Page: 724 Pages
Part Number: 6986788
The Bookmarks of Bobcat E10 Compact Excavator Service Manual:
Foreword
Safety And Maintenance
Hydraulic System
Undercarriage
Upperstructure An D Swing Section
Electrical System & Analysis
Engine Service
Specifications
Alphabetical Index
Service Schedule Symbols


