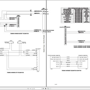
Bobcat E35i Electric and Hydraulic Schematic
Size: 1.89 MB
Machine: Compact Excavator
Machine Model: E35i
Contents:
Bobcat E35i Electric Schematic 6990761
E32-85 ELEC OPTIONS 1-of-5-2
E32-85 ELEC OPTIONS 2-of-5-2
E32-85 ELEC OPTIONS 3-of-5-2
E32-85 ELEC OPTIONS 4-of-5-2
E32-85 ELEC OPTIONS 5-of-5-2
E35i ELEC MF 7209622-4
E35i ELEC MF 7241866A-4
Bobcat E35i Hydraulic Schematic 6990761
E35i HYD STD NA 7237999-4
v-1572legend-2


