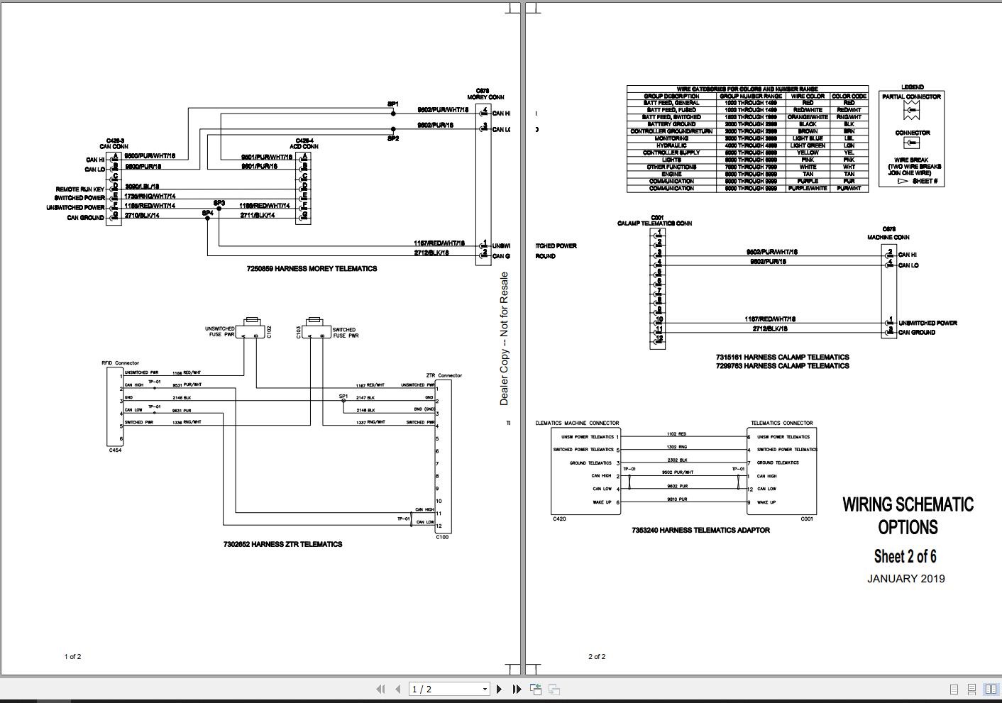
Bobcat E42 Electric and Hydraulic Schematic
Size: 11.7 MB
Machine: Compact Excavator
Machine Model: E42
Contents:
Bobcat E42 Electric Schematic 6989433
Bobcat E42 Hydraulic Schematic 6989433
Bobcat E42 Electric Schematic 6990716
Bobcat E42 Hydraulic Schematic 6990716
Bobcat E42 Electric Schematic 7336766
Bobcat E42 Hydraulic Schematic 7336766


