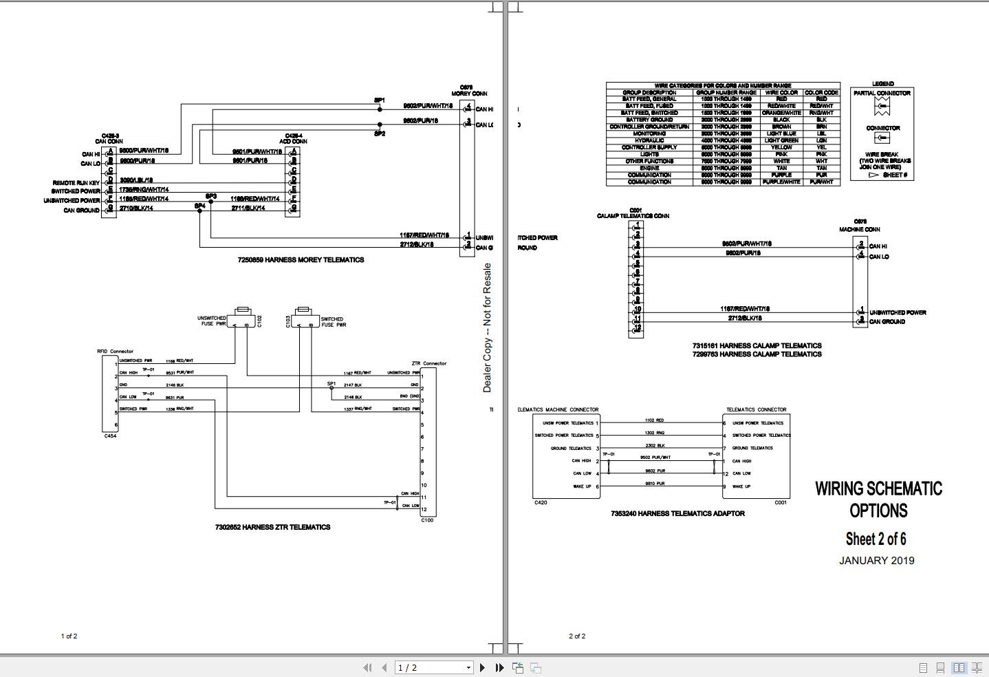
Bobcat E45 Electric and Hydraulic Schematic
Size: 10.8 MB
Machine: Compact Excavator
Machine Model: E45
Contents:
Bobcat E45 Electric Schematic 6989437
Bobcat E45 Hydraulic Schematic 6989437
Bobcat E45 Electric Schematic 6990720
Bobcat E45 Hydraulic Schematic 6990720


