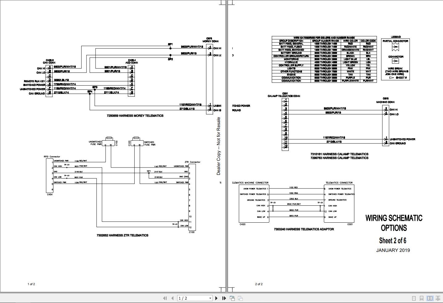
Bobcat E55 Hydraulic and Electric Schematic
Size: 10.4 MB
Machine: Compact Excavator
Machine Model: E55
Contents:
Bobcat E55 Hydraulic Schematic 6990093
Bobcat E55 Electric Schematic 6990093
Bobcat E55 Electric Schematic 6990728
Bobcat E55 Hydraulic Schematic 6990728


