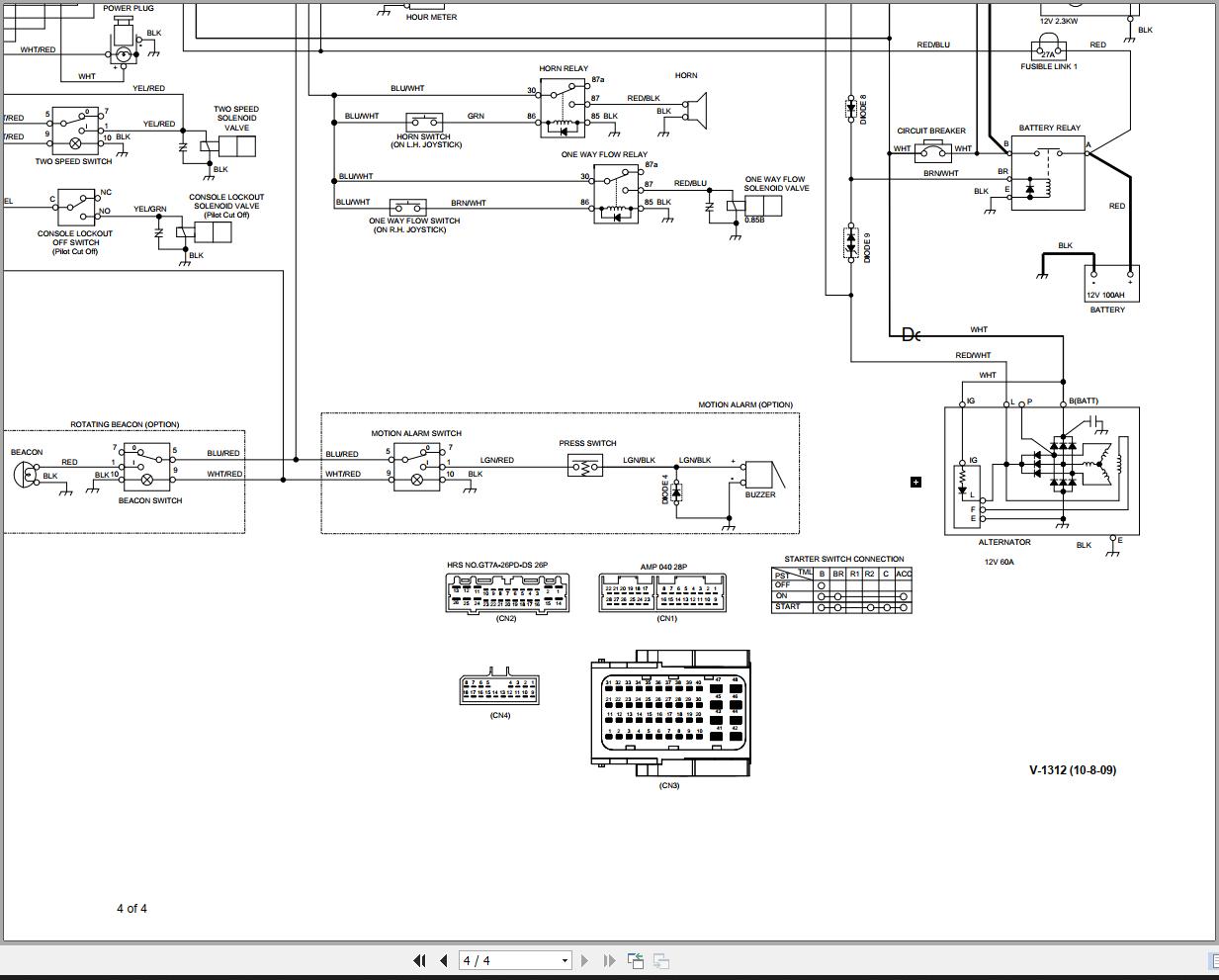
Bobcat E60 Electric, Hydraulic Circuit Diagram
Size: 4.97 MB
Machine: Compact Excavator
Machine Model: E60
Contents:
Bobcat E60 Electric Schematic 6987190
Bobcat Hydraulic Schematic 6987190
Bobcat E60 Electric Schematic 7407587
Bobcat E60 Hydraulic Schematic 7407587


