Bobcat E63 Hydraulic and Electric Schematic
Size: 374 KB
Machine: Compact Excavator
Machine Model: E63
Contents:
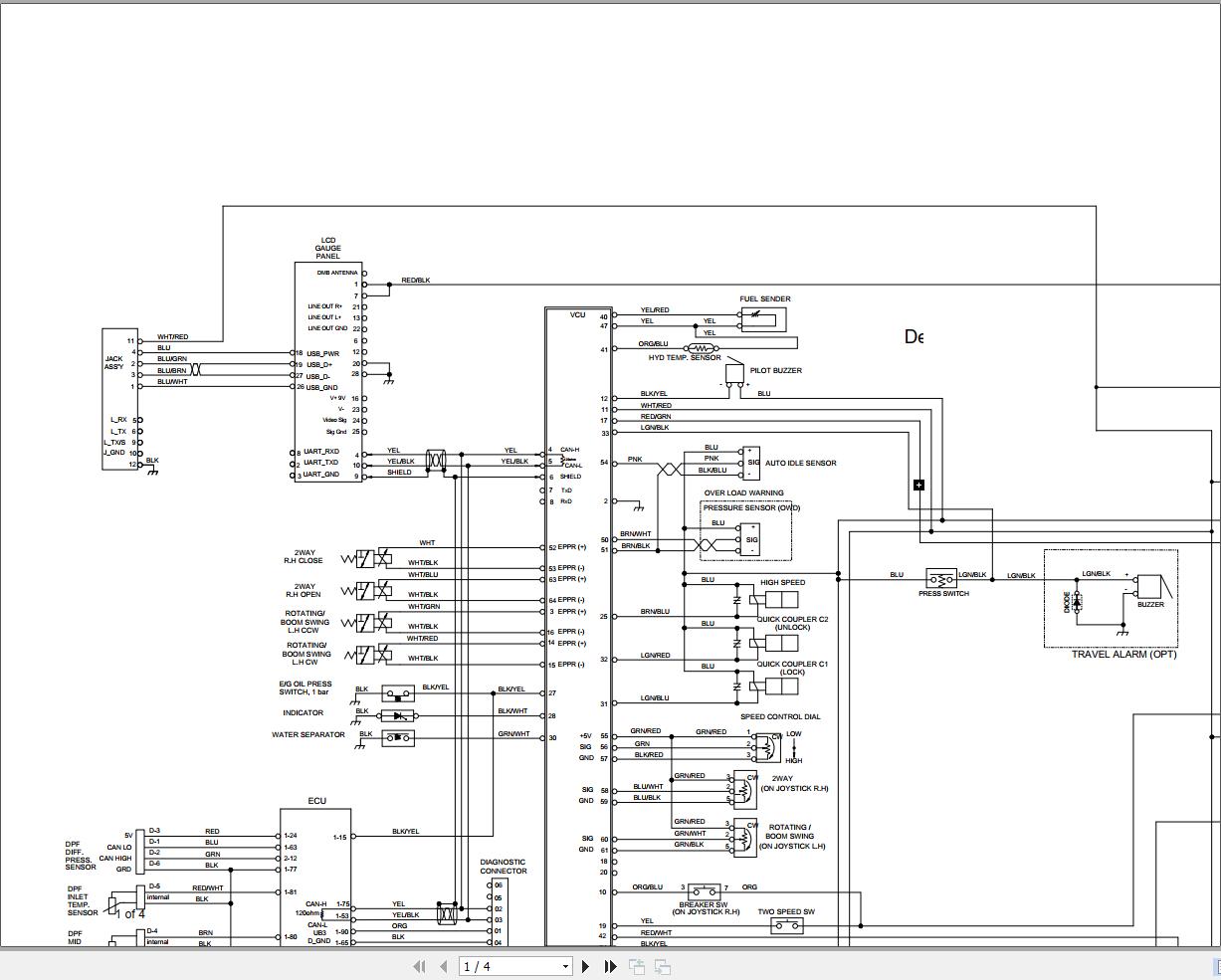
Bobcat E63 Electric Schematic 6990613
E63 ELEC v-1558-4
Bobcat E63 Hydraulic Schematic 6990613
v-1560legend-NA-2
v-1560-NA-4
Bobcat E63 Hydraulic and Electric Schematic
Size: 374 KB
Machine: Compact Excavator
Machine Model: E63
Contents:
Bobcat E63 Electric Schematic 6990613
E63 ELEC v-1558-4
Bobcat E63 Hydraulic Schematic 6990613
v-1560legend-NA-2
v-1560-NA-4


