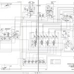
Bobcat L28 Electric & Hydraulic Circuit Diagram
Size: 1.94 MB
Machine: Small Articulated Loader
Machine Model: L28
Contents:
Bobcat L28 Electric Schematic 7389400
L28 ELEC 1-of-13 7345382B-2
L28 ELEC 2-of-13 7345382B-2
...
L28 ELEC 13-of-13 7345382B-2
Bobcat L28 Hydraulic Schematic 7389400
L28 HYD 7348522A ALL-OPTIONS-2
L28 HYD 7348522A NO-OPTIONS-2
L28 Standard Machine 7345382 (B)
V-1715 legend all options-2
V-1716 legend no options-2


