Bobcat S750 Service Manual 6989464
Size: 45.9 MB
Machine: Skid-Steer Loader
Machine Model: S750
Series Number: A3P211001 & Above
Publication Date: 2020
Page: 1255 Pages
Parts Number: 6989464
The Bookmarks of Bobcat S750 Skid-Steer Loader Service Manual:
Foreword
Safety & Maintenance
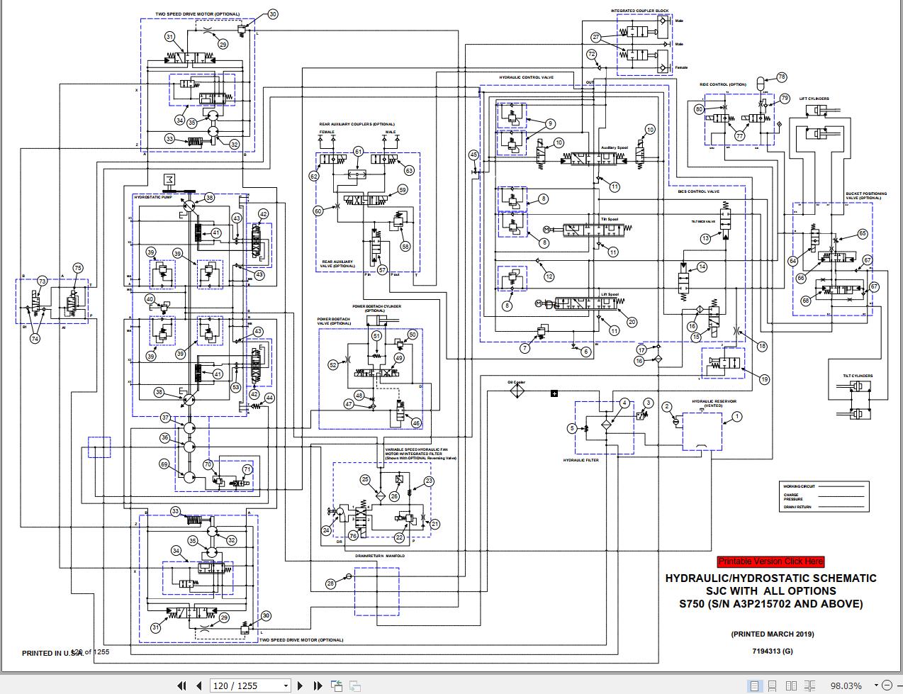
Hydraulic System
Hydrostatic System
Drive System
Mainframe
Electrical System
Engine Service
Heating. Ventilation And Air Conditioning (Hvac)
Specifications
Alphabetical Index


