Bomag BW172PD Instructions For Repair
Size: 18.6 MB
Format: PDF
Language: English, German, French, Spanish
Brand: Bomag
Machine: Roller
Document: Instructions For Repair
Model: Bomag BW172PD Roller
Contents:
Bomag BW 172 D Instructions for Repair 00819084 1987 EN DE FR ES (589 Pages)
01 General
02 Engine
03 Axle
04 Travel Drive
05 Vibratory System
06 Steering System
07 Brakes
08 Electric System
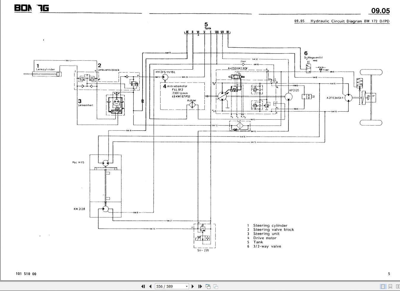
09 Circuit Diagrams
10 Optional Equipment


