Case 1650K Tier 2 Workshop Manual 9-54970
Size: 12.6 MB
Machine: Crawler Dozer
Machine Model: 1650K Tier 2
Document: Workshop Manual, Electrical and Hydraulic Diagram
Print Number: 9-54970
List Files:
Section 0 Generalities
Section 1 Engine
Section 2 Transmission
Section 3 Final Drives
Section 5 Undercarriage
Section 6 Dozer Equipment Hydraulic System
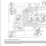
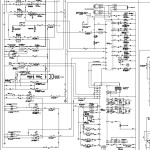
Section 7 Electrical System
#More Product: Case Operators, Parts , Service, Electrical and Hydraulic Manual








