Case 580N 580SN 580SN WT 590SN Tier 4 Service Manual 84605839
Size: 140 MB
Machine: Track Loader Backhoe
Machine Model: 580N 580SN 580SN WT 590SN Tier 4
Pages: 3377 Pages
Pin Number:
580N - from PIN NCC560000
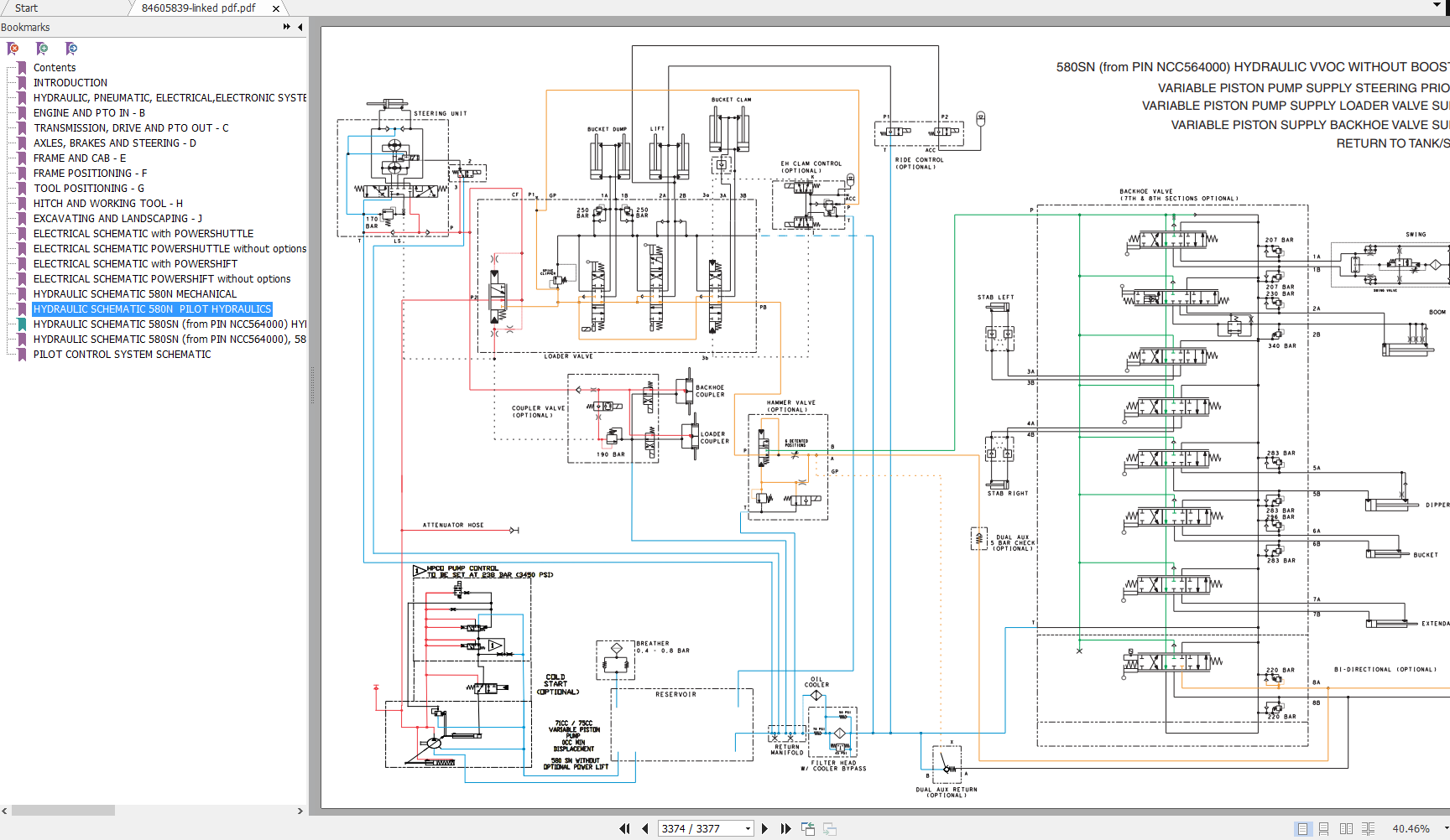
580SN - from PIN NCC564000
580SN WT - from PIN NCC567500
590SN - from PIN NCC568500
Publication Date: 03.2012
Parts Number: 84605839
Content:
Introduction
Hydraulic, Pneumatic, Electrical, Electronic Systems A
Primary Hydraulic Power System
Secondary Hydraulic Power System
Electrical Power System
Lighting System
Fault Codes
Engine And Pto In
Engine
Fuel And Injection System
Exhaust System Emissions Control
Engine Coolant System
Starting System
Transmission, Drive And Pto Out
Transmission Power Shuttle.
Transmission Powershift
Axles, Brakes And Steering
Front Axle
Rear Axle
Steering Hydraulic
Service Brake Hydraulic
Parking Brake Mechanical
Wheels And Tracks Wheels.
Frame And Cab
Frame Primary Frame
Shield
User Controls And Seat
User Controls And Seat Operator Seat
Ntroduction
Hydraulic, Pneumatic, Electrical, Electronic Systems A
Primary Hydraulic Power System
Secondary Hydraulic Power System
Electrical Power System
Lighting System
Fault Codes
Engine And Pto In
Engine
Fuel And Injection System
Exhaust System Emissions Control
Engine Coolant System
Starting System
Transmission, Drive And Pto Out.
Transmission Power Shuttle
Transmission Powershift
Axles, Brakes And Steering.
Front Axle
Rear Axle
Steering Hydraulic.
Service Brake Hydraulic
Parking Brake Mechanical
Wheels And Tracks Wheels.
Frame And Cab
Frame Primary Frame
Shield
User Controls And Seat
User Controls And Seat Operator Seat




