Case 621G 721G Tier 4B (final) Service Manual
Size: 360 MB
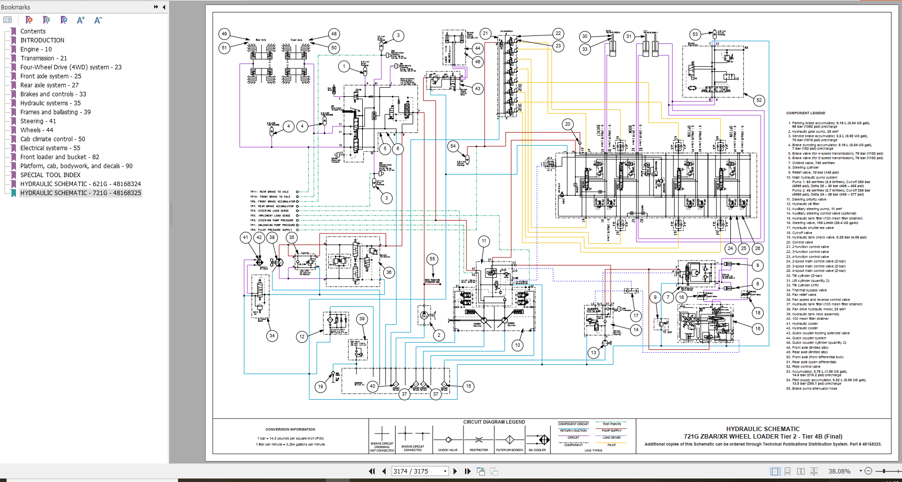
Machine: Wheel Loader
Machine Model: 621G 721G Tier 4B (final)
Publication Date: 2016-2017
Parts Number:
51428265
48083736
48144040
Case 621G 721G Tier 4B (final) Service Manual
Size: 360 MB
Machine: Wheel Loader
Machine Model: 621G 721G Tier 4B (final)
Publication Date: 2016-2017
Parts Number:
51428265
48083736
48144040





