Case CX490C CX500C Electrical Schematic
Size: 17.6 MB
Machine: Hydraulic Excavator
Machine Model: CX490C CX500C
Content:
CX490C CX500C Electrical Schematic 48098404EN
CX490C CX500C Electrical Schematic 51540339EN
CX490C CX500C Electrical Schematic
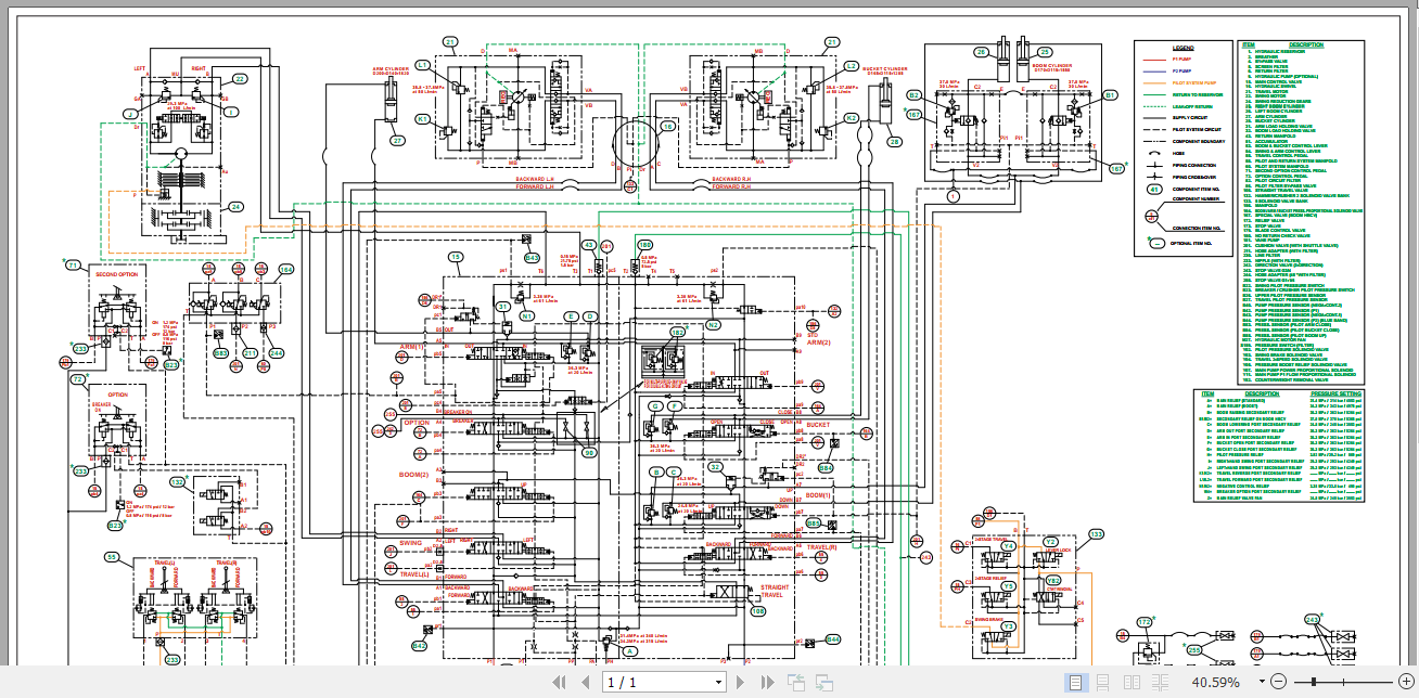
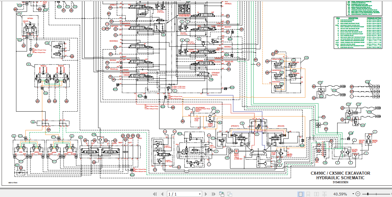
CX490C CX500C Hydraulic Schematic 48098402EN
CX490C CX500C Hydraulic Schematic



