Case SR210 SR240 SV280 TR270 TR310 TV370 Tier 4B (final) Service Manual
Size: 177 MB
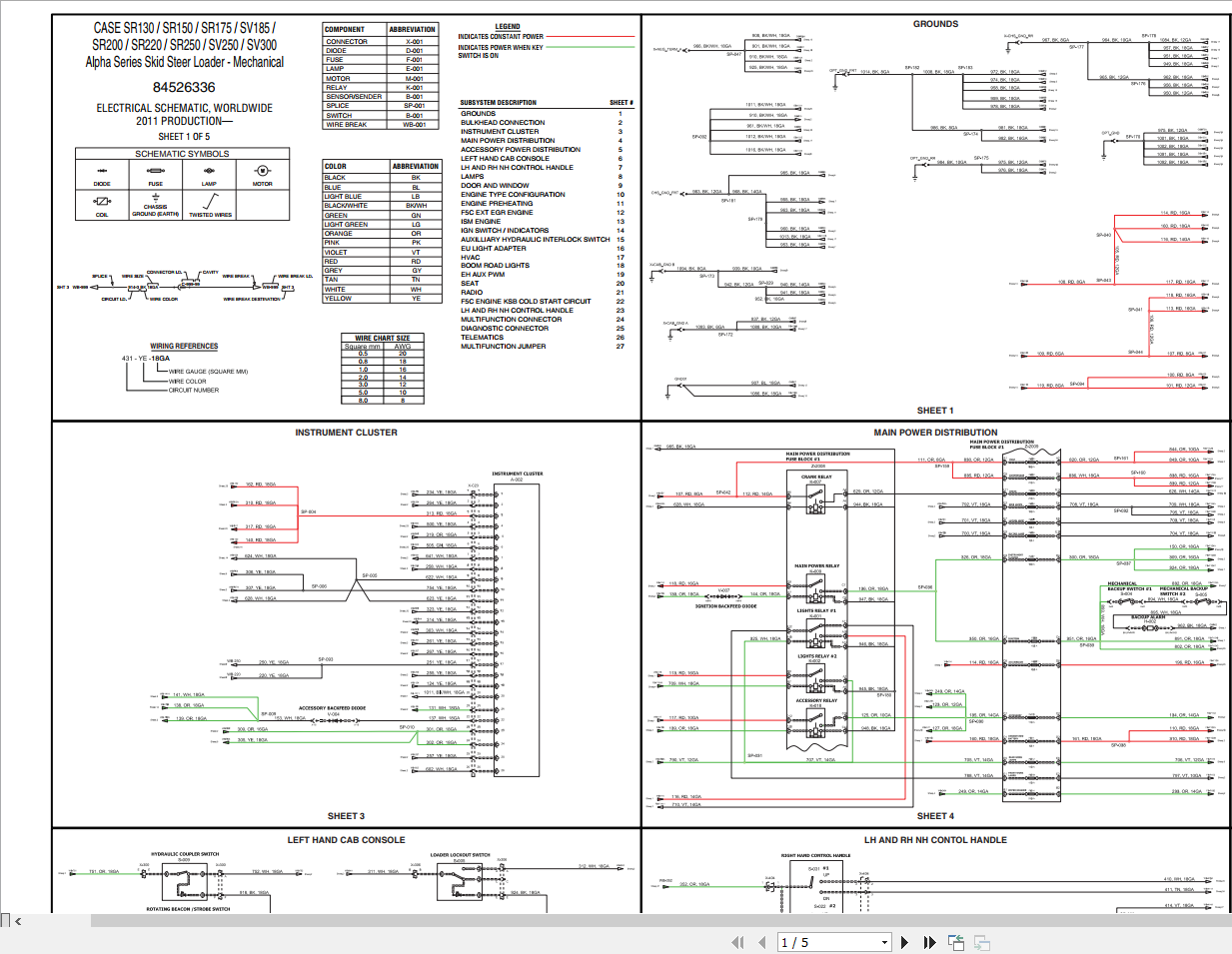
Machine: Alpha Series Skid Steer Loader
Machine Model: SR210 SR240 SV280 TR270 TR310 TV370 Tier 4B (final)
Publication Date: 1/2018
Parts Number:
48068130
48144044
48144045
84526326
84526336



