Crown ESR 5000 Parts and Service Manual
Size: 42.0 MB
Document: Parts and Service Manual
Machine: Forklift Truck
Machine Model: ESR 5000
Contents:
ESR 5000 Service Manual (666 pages)
Introduction
Safety
Inspection and Lubrication
Hydraulic System
Drive Unit
Electrical System
Brake System
Steering
Lifting Mechanism
Cylinders
Miscellaneous
Schematic Diagrams
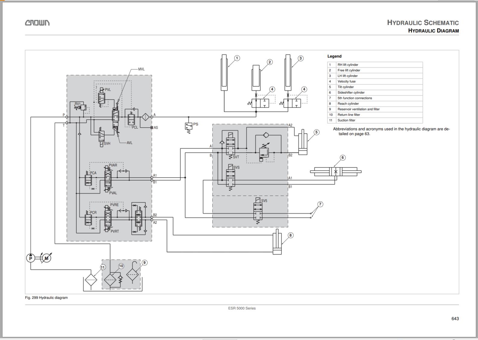
Hydraulic Schematic
ESR 5000 Parts Catalog (312 pages)
Hydraulic System
Drive Unit
Electrical System
Brake System
Steering
Lifting Mechanism
Cylinders
Platform
Miscellaneous
#More Product: Crown Forklift Operators, Parts & Service Manual


