Crown IC Hamech MBX50 Schematics, Operation Maintenance and Service Manual
Size: 14.1 MB
Document: Wiring Diagram, Operation MaintenanceManual, Service Manual
Machine: Forklift Truck
Machine Model: MBX50 IC Hamech
Contents:
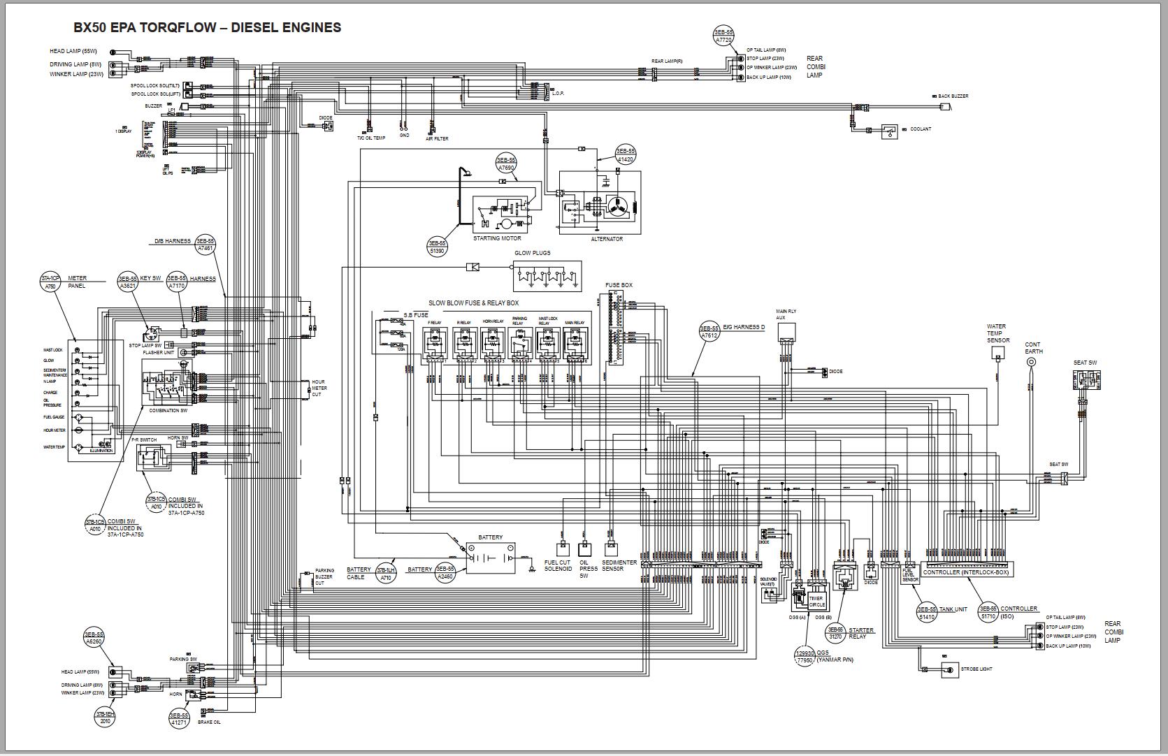
BX50 EPA Torqflow Diesel Engines Wiring Diagram (1 page)
BX50 EPA Torqflow EL-EE LP Engines Wiring Diagram (1 page)
BX50 EPA Torqflow Gasoline Engines Wiring Diagram (1 page)
BX50 EPA Torqflow Gasoline LP Dual-Fuel Engines Wiring Diagram (1 page)
BX50 EPA Torqflow LPG Engines Wiring Diagram (1 page)
MAX50 MBX50 Series Operation & Maintenance Manual (166 pages)
MBX50 Series Service Manual (308 pages)
#More Product: Crown Forklift Operators, Parts & Service Manual



