Crown IC Hamech MCX20 Schematics, Operation Maintenance and Service Manual
Size: 45.7 MB
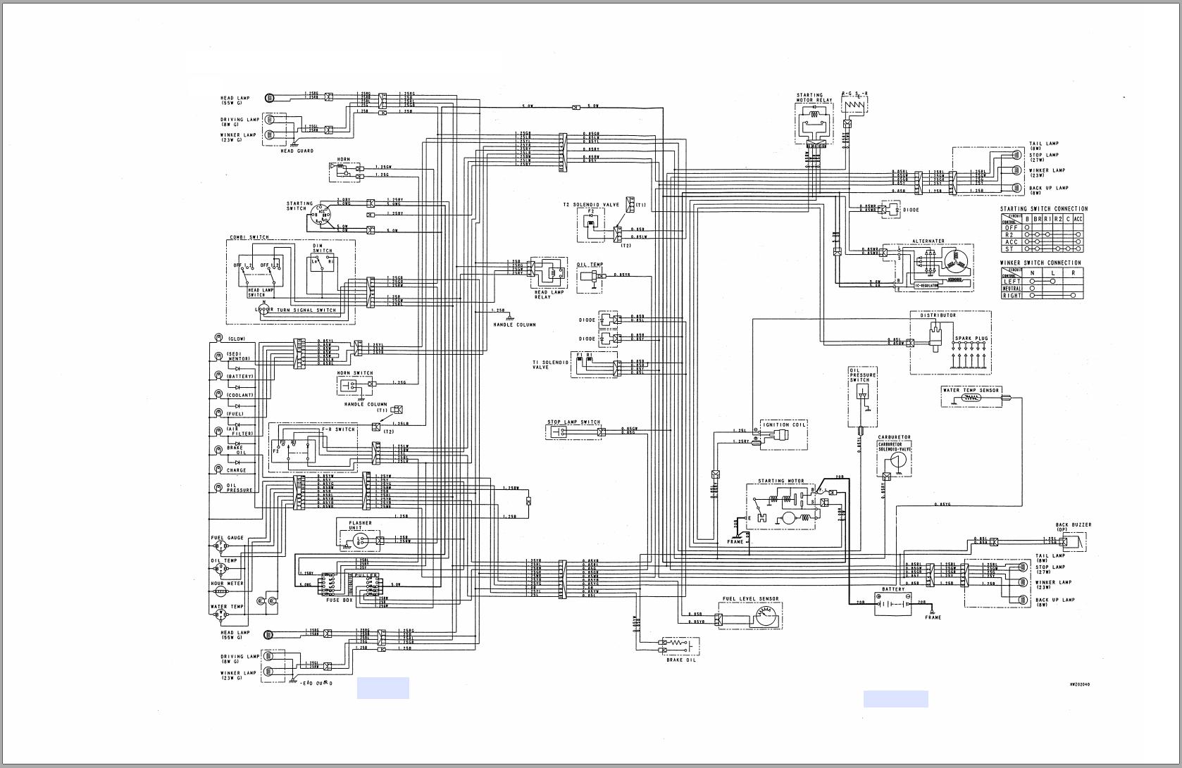
Document: Wiring Diagram, Operation Maintenance Manual, Service Manual
Machine: Forklift Truck
Machine Model: MCX20 IC Hamech
Contents:
Wiring Diagrams (2 files)
- PF17187-SUP Wiring Diagrams
- SM180-KFI-MCX-Shop-11x17 Wiring Diagrams
Service Manual (372 pages)
- Engine Serial Number Location
- Lift Trucks Covered In This Publication
- Federal Epa Emission Control Statement
- Ch. 01 - Safety Section
- Ch. 02 - General Information And Specifications
- Ch. 03 - Service Data
- Ch. 04 - Testing, Adjusting And Measuring
- Ch. 05 - Inspection
- Ch. 06 - Maintenance Operations
- Ch. 07 - Removal, Disassembly, Assembly, Installation
- Ch. 08 - Troubleshooting
- Ch. 09 - Masts
- Ch. 10 - Conversion Tables
- APPENDIX - SERVICE DIAGRAMS
Operation & Maintenance Manual (162 pages)
- Foreword
- Safety
- Operation
- Maintenance
- Technical Data
#More Product: Crown Forklift Operators, Parts & Service Manual



