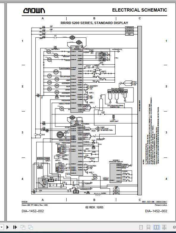
Crown RR 5200 Electrical & Hydraulic Schematic
Size : 26.1 MB
Document: Electrical & Hydraulic Schematic
Machine: Reach Truck Forklift
Machine Model: RR 5200
Content:
24V HYD-1452-001.pdf
36V HYD-1452-050.pdf
5200 Manual
Brakes M5.0-1452-001.pdf
Capacity Data Monitor M4.3-1452-200.pdf
Codes Ver 14 M4.3-1452-800.pdf
Codes Ver 17 M4.3-1452-800.pdf
Componentry M1.0-1452-050.pdf
DIA-1452-001.pdf
Drive unit M3.0-1452-001.pdf
Glossary M10-1452-001.pdf
Height Sensor M4.3-1452-300.pdf
Hyd Maintenance M2.4-1452-001.pdf
Hyd Manifold M2.4-1452-001.pdf
Hyd sys M2.0-1452-001.pdf
Hydraulic Circuits M2.0-1450-020[1].pdf
Hydraulic System M2.0-1452-001[1].pdf
Intro .pdf
Lift Cylinder M8.0-1452-001.pdf
Lube and Adj M1.0-04.0-001.pdf
Mast M7.0-1452-001.pdf
Multifunction Handle M4.5-1452-001.pdf
Reach Assembly M9.0-1452-001.pdf
Set up Ver 17 M4.3-1452-001.pdf
Steering System M6.0-1452-001.pdf
Tilt Cylinder M8.6-1452-001.pdf
#More Product: Crown Forklift Operators, Parts & Service Manual



