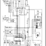
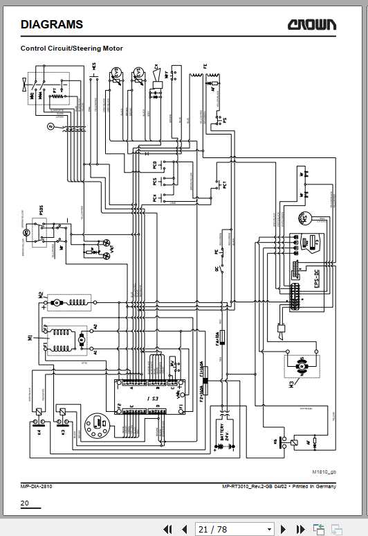
Crown RT3010 Series Parts Manual
Size : 1.37 MB
Machine: Pallet Truck Forklift
Machine Model: RT3010 Series
Pages: 78 Pages
#More Product: Crown Forklift Operators, Parts & Service Manual
Size : 1.37 MB
Machine: Pallet Truck Forklift
Machine Model: RT3010 Series
Pages: 78 Pages
#More Product: Crown Forklift Operators, Parts & Service Manual


