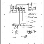
Crown SC 4000 Electrical & Hydraulic Schematic
Size : 4.44 MB
Document: Electrical & Hydraulic Schematic
Machine: Forklift
Machine Model: SC 4000
Content:
9A133624 DIA-1140-001.pdf
9A999999 DIA-1140-014.pdf
HYD-1140-001.pdf
Lube and adj M1.0-1140-001.pdf
Lube and adj M1.0-1140-011.pdf
Pot Calibration M4.3-1140-200.pdf
SC 4000 Trouble codes M4.2-1140-400.pdf
SC4000.pdf
Tune up M4.2-1140-200.pdf
#More Product: Crown Forklift Operators, Parts & Service Manual


