Crown SP 36 Parts and Service Manual
Size: 77.0 MB
Document: Parts and Service Manual
Machine: Forklift Truck
Machine Model: SP 36
Contents:
SP 36 Service Manual (69 files)
DIA-07.2-001.pdf
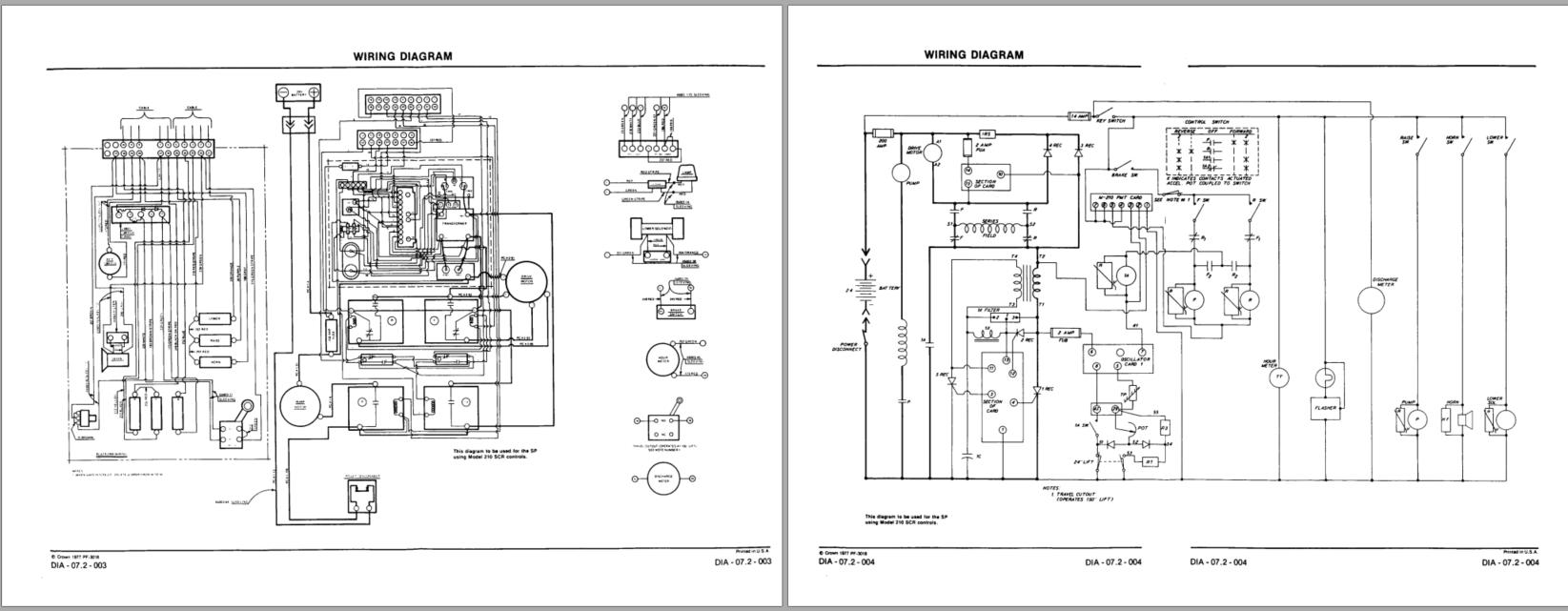
DIA-07.2-003.pdf
DIA-07.2-005.pdf
DIA-07.2-012.pdf
DIA-07.2-020.pdf
DIA-07.2-030.pdf
DIA-07.2-040.pdf
DIA-07.2-050.pdf
DIA-07.2-060.pdf
DIA-07.2-071.pdf
HYD-07.2-001.pdf
ITD-07.2-001.pdf
ITD-07.2-003.pdf
M1.0-07.2-001.pdf
M1.0-07.2-015.pdf
M10-07.2-001.pdf
M10-07.2-006.pdf
M10-07.2-012.pdf
M2.0-07.2-001.pdf
M2.1-07.2-001.pdf
M2.4-07.2-001.pdf
M2.6-07.2-001.pdf
M2.9-07.2-001.pdf
M3.0-07.2-001.pdf
M3.0-07.2-015.pdf
M4.0-07.2-001.pdf
M4.0-07.2-010.pdf
M4.0-07.3-001.pdf
M4.0-07.3-020.pdf
M4.0-07.3-040.pdf
M4.0-07.3-060.pdf
M4.0-07.3-080.pdf
M4.0-07.3-100.pdf
M4.2-07.2-200.pdf
M4.2-07.2-205.pdf
M4.2-07.2-400.pdf
M4.3-18.0-520.pdf
M4.3-18.0-540.pdf
M4.3-18.0-560.pdf
M4.3-18.0-590.pdf
M4.3-18.0-620.pdf
M4.3-18.0-660.pdf
M4.3-18.0-680.pdf
M4.3-18.0-700.pdf
M4.3-18.0-740.pdf
M4.3-18.0-765.pdf
M4.3-18.0-770.pdf
M4.3-18.0-780.pdf
M4.3-18.0-800.pdf
M4.3-18.0-840.pdf
M4.3-18.0-900.pdf
M4.4-07.2-001.pdf
M4.5-07.2-001.pdf
M4.5-07.2-010.pdf
M4.5-07.2-020.pdf
M4.6-07.2-001.pdf
M4.9-07.2-001.pdf
M5.0-07.2-001.pdf
M5.0-07.2-010.pdf
M5.0-07.2-020.pdf
M6.0-07.2-001.pdf
M6.0-07.2-010.pdf
M7.0-07.2-001.pdf
M7.8-07.2-001.pdf
M9.0-07.2-001.pdf
MA-07.2-001.pdf
MA-07.2-100.pdf
MA-07.2-101.pdf
PF2226.pdf
SP 36 Parts Catalog (935 pages)
POWER UNIT PARTS
HYDRAULIC PARTS
DRIVE UNIT PARTS
ELECTRICAL PARTS
BRAKE PARTS
STEERING PARTS
LIFT MAST PARTS
CYLINDER PARTS
PLATFORM PARTS
LABELS & DECALS AND ACCESSORIES
Wheels, Tires and Casters
#More Product: Crown Forklift Operators, Parts & Service Manual


