Crown SX 3000 Parts and Service Manual
Size: 27.0 MB
Document: Parts and Service Manual
Machine: Forklift Truck
Machine Model: SX 3000
Contents:
SX 3000 Service Manual (37 files)
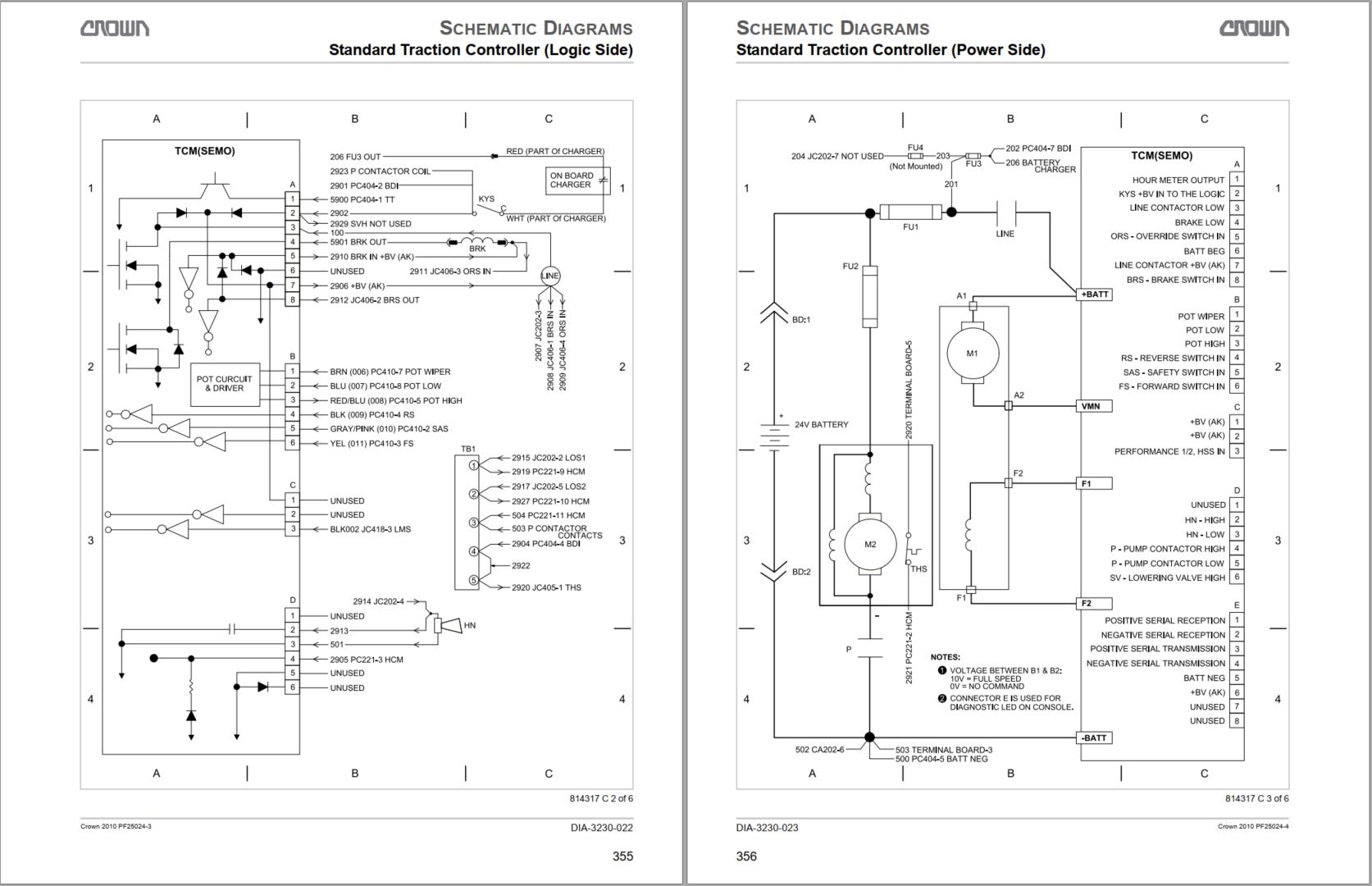
DIA-3230-001.pdf
DIA-3230-020.pdf
DIA-3230-020 2.pdf
ITD-3130-001.pdf
ITD-3130-001 2.pdf
M1.0-04.0-001.pdf
M1.0-04.0-006.pdf
M1.0-04.0-050.pdf
M1.0-3230-001.pdf
M1.0-3230-100.pdf
M1.5-2720-001.pdf
m1.9-06.6-001.pdf
M1.9-14.0-001.pdf
M10-8055-001.pdf
M2.0-3230-001.pdf
M2.1-00.0-001.pdf
M2.1-3130-001.pdf
M3.0-2720-001.pdf
M4.1-0000-001.pdf
M4.1-2720-001.pdf
M4.2-2720-001.pdf
M4.2-3230-300.pdf
M4.2-3230-400.pdf
M4.4-04.2-001.pdf
M4.5-2723-001.pdf
M4.6-2720-100.pdf
M4.6-3230-001.pdf
M4.7-3130-001.pdf
M5.0-2720-001.pdf
M6.0-2720-001.pdf
M7.0-3130-001.pdf
M7.5-18.0-001.pdf
M7.8-04.2-001.pdf
M8.0-3130-001.pdf
MA-04.0-001.pdf
MA-1140-050.pdf
MA-3230-100.pdf
SX 3000 Parts Manual (129 pages)
Power Unit Parts
Hydraulic Parts
Drive Unit Parts
Electrical Parts
Brake Parts
Lift Structure Parts
Cylinder Parts
Attachments
Labels & Decals And Accessories
#More Product: Crown Forklift Operators, Parts & Service Manual


