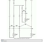
Cummins ISB Serial M850 (Chrysler) Wiring Diagram Engine Controls
Size: 3.62 MB
Format: PDF
Language: English
Brand: Cummins
Machine: Truck
Document: Wiring Diagram
Model Machines: Cummins ISB Serial M850 (Chrysler) Truck
Size: 3.62 MB
Format: PDF
Language: English
Brand: Cummins
Machine: Truck
Document: Wiring Diagram
Model Machines: Cummins ISB Serial M850 (Chrysler) Truck

