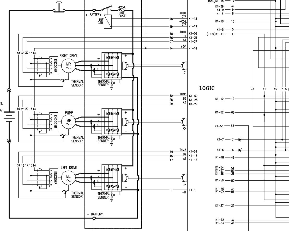
Daewoo B50X-5(AC) Electric Schematic A584000
Size: 0.20 MB
Machine: Forklift
Machine Model: B50X-5 B50X-5AC
Pages: 1 Page
Part Number: A584000
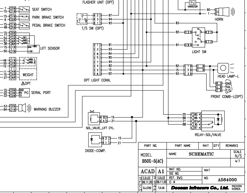
Daewoo B50X-5(AC) Electric Schematic A584000
Size: 0.20 MB
Machine: Forklift
Machine Model: B50X-5 B50X-5AC
Pages: 1 Page
Part Number: A584000


