Daewoo BR13S-5 to BR16JW-5 Service Manuals SB4333E00
Size: 51.89 MB
Machine: Forklift
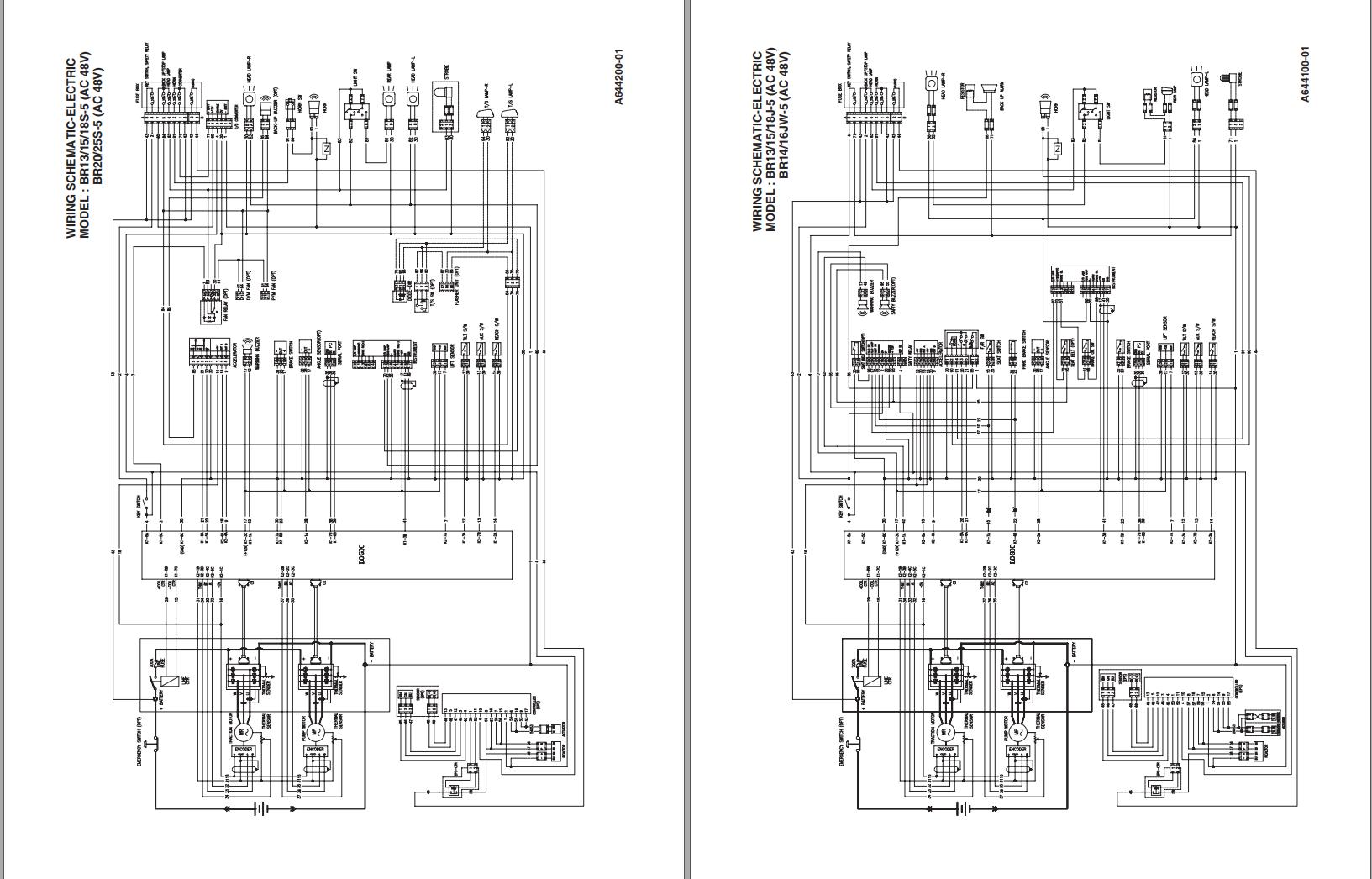
Machine Model: BR13S-5 BR15S-5 BR18S-5 BR20S-5 BR25S-5 BR13J-5 BR15J-5 BR18J-5 BR14JW-5 BR16JW-5
Publication Date: 2008
Pages: 601 Pages
Part Number: SB4333E00
Contents:
Safety SB2003E00
Torque Specifications SB2004E00
MicroController Control System SB4334E00
Power Train & Vehicle Systems SB4335E00
Vehicle Systems D & A SB4336E00
Mast System SB4337E00
Hydraulic System Schematic SB4338E00
Electric Systems Schematic SB4339E00
Operation & Maintenance Manual SB2364E00
Operation & Maintenance Manual SB2365E00


