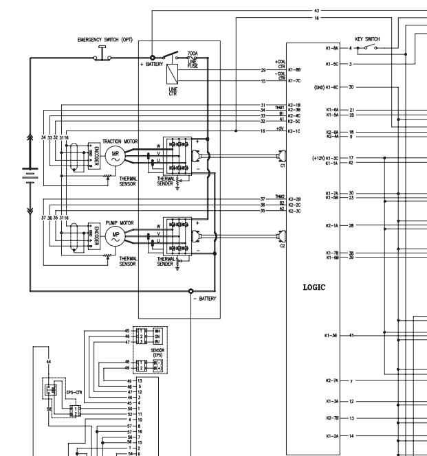
Daewoo BR13S-5 to BR25S-5 Electric Schematic SB4339E00
Size: 0.29 MB
Machine: Forklift
Machine Model:
R13S-5 R15S-5 R18S-5 R13J-5 R15J-5 R18J-5 (AC 48V)
BR20S-5 BR25S-5 BR14JW-5 BR16JW-5 (AC 48V)
Pages: 2 Pages
Part Number: SB4339E00
Daewoo BR13S-5 to BR25S-5 Electric Schematic SB4339E00
Size: 0.29 MB
Machine: Forklift
Machine Model:
R13S-5 R15S-5 R18S-5 R13J-5 R15J-5 R18J-5 (AC 48V)
BR20S-5 BR25S-5 BR14JW-5 BR16JW-5 (AC 48V)
Pages: 2 Pages
Part Number: SB4339E00


