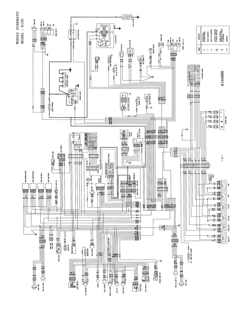
Daewoo D150 Electric Schematic SB2128E00
Size: 0.17 MB
Machine: Forklift
Machine Model: Lift Trucks Electric System D150
Publication Date: 1997
Pages: 2 Pages
Part Number: SB2128E00
Daewoo D150 Electric Schematic SB2128E00
Size: 0.17 MB
Machine: Forklift
Machine Model: Lift Trucks Electric System D150
Publication Date: 1997
Pages: 2 Pages
Part Number: SB2128E00


