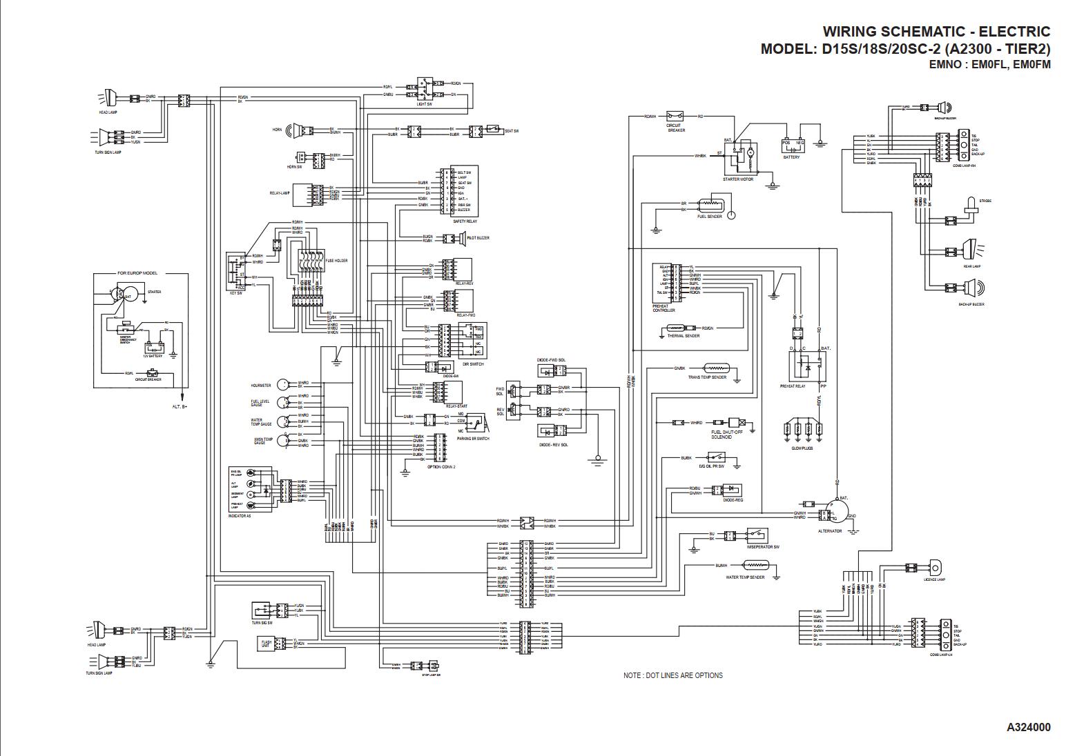
Daewoo D15S-2 to G20SC-2 Electric Schematic SB4194E00
Size: 1.18 MB
Machine: Forklift
Machine Model: D15S-2 D18S-2 D20SC-2 G15S-2 G18S-2 G20SC-2 G15S-2 G18S-2 G20SC-2 for DC24 G420 G420E and A2300 ENGINE
Publication Date: 2005
Pages: 8 Pages
Part Number: SB4194E00


