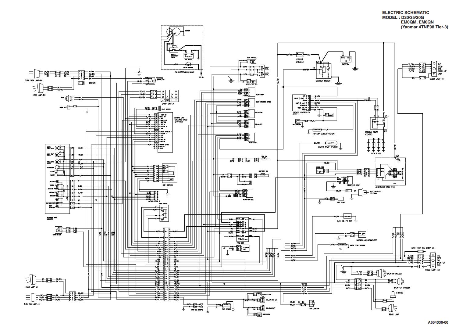
Daewoo D20G to G30G Electric Schematic SB4322E00
Size: 1.65 MB
Machine: Forklift
Machine Model: D20G D25G D30G with B3.3 Engine, D20G D25G D30G with 4TNE98 Engine, G20G G25G G30G with G424F Engine, G20G G25G G30G with G424FE Engine
Publication Date: 2008
Pages: 6 Pages
Part Number: SB4322E00


