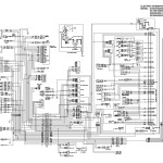
Daewoo D20S-5 to GC33P-5 Electric Schematic SB4258E01
Size: 4.25 MB
Machine: Forklift
Machine Model: D20S-5 D25S-5 D30S-5 D33S-5 D35C-5 G20E-5 G25E-5 G30E-5 G20P-5 G25P-5 G30P-5 G33P-5 G35C-5 GC20E-5 GC25E-5 GC30E-5 GC33E-5 GC20P-5 GC25P-5 GC30P-5 GC33P-5
Publication Date: 2007
Pages: 7 Pages
Part Number: SB4258E01


