Daewoo D50S-2 to G70S-2 Electric Schematic SB4147E01
Size: 1.24 MB
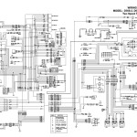
Machine: Forklift
Machine Model: Electric System D50S-2, D60S-2, D70S-2 G50S-2, G60S-2, G70S-2 Two Speed Transmission
Publication Date: 2005
Pages: 5 Pages
Part Number: SB4147E01
Daewoo D50S-2 to G70S-2 Electric Schematic SB4147E01
Size: 1.24 MB
Machine: Forklift
Machine Model: Electric System D50S-2, D60S-2, D70S-2 G50S-2, G60S-2, G70S-2 Two Speed Transmission
Publication Date: 2005
Pages: 5 Pages
Part Number: SB4147E01


