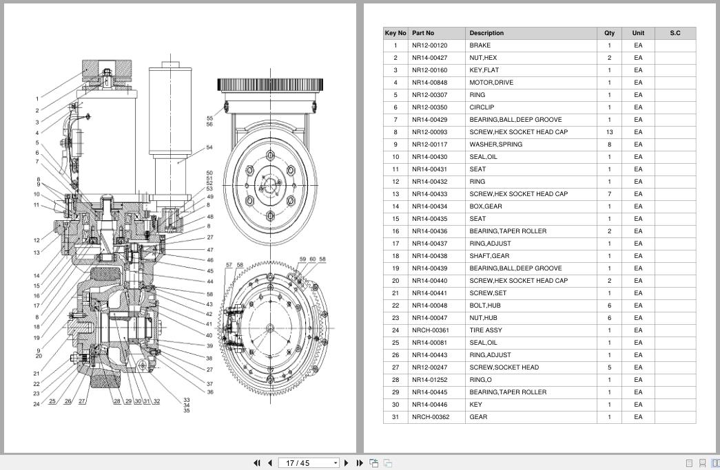
Doosan BW30-MS20 Equipment Parts Catalog SB5110Y
Data Size: 3.42 MB
File Type: PDF
Language: English
Manufacturer: Doosan
Applicable Machine: Walkie Pallet Truck, Warehouse Equipment
Document: Parts Catalog
Machine Model: Doosan BW30-MS20 Walkie Pallet Truck
Book Number: SB5110Y
Page: 45 Pages
List Contents:
Section 1
Assembly
Section 2
Tumbling Box
Section 3
Connecting Rod Wheel Carrie
Section 4
Balance Wheel
Section 5
Universal Wheel Assembly
Section 6
Driving Wheel
Section 7
Steering Gear Assembly(Mechanical Steering)
Section 8
FREI Handle
Section 9
Oil Cylinder
Section 10
Hydraulic System
Section 11
Hydraulic Station
Section 12
Handrail
Section 13
Load Backrest
Section 14
Electronic Control(Mechanical Steering)


