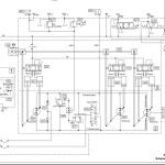
Fendt 1000 Vario Gen3 VIN 544 545 546 547 ##01001 Transmission Hydraulic Circuit Diagram 737567
Size: 1.45 MB
Machine: Tractor
Model: Fendt 1000 Vario Gen3 Tractor
Fendt 1038 Vario Gen3
WAM544###00F01001-
Fendt 1042 Vario Gen3
WAM545###00F01001-
Fendt 1046 Vario Gen3
WAM546###00F01001-
Fendt 1050 Vario Gen3
WAM547###00F01001-
VIN Number: 544 545 546 547 ##01001
Parts Number: 737567
Publication Date: August 2021
Page: 8 Pages
The Bookmarks of Fendt 1000 Vario Gen3 VIN 544 545 546 547 ##01001 Transmission Hydraulic Circuit Diagram:
1.1 List of components and measuring points
1.2 Transmission hydraulic circuit Diagram - 530101000002


