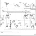
Fendt 700 Vario Gen7 VIN 706 707 708 709 Transmission Hydraulic Circuit Diagram 968200
Size: 768 KB
Machine: Tractor
Model: Fendt 700 Vario Gen7 Tractor
Fendt 722 Vario Gen7
Fendt 724 Vario Gen7
Fendt 726 Vario Gen7
Fendt 728 Vario Gen7
VIN Number: 706 707 708 709
Parts Number: 968200
Publication Date: February 2023
Page: 8 Pages
The Bookmarks of Fendt 700 Vario Gen7 VIN 706 707 708 709 Transmission Hydraulic Circuit Diagram:
1.1 List of components and measuring points
1.2 Transmission hydraulic circuit Diagram - M222PS0043002_3
1.3 Front PTO hydraulics wiring diagram


