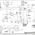
Fendt 900 Vario Gen7 VIN 968 969 970 971 Pneumatic Circuit Diagram 737829
Size: 3.05 MB
Machine: Tractor
Model: Fendt 900 Vario Gen7 Tractor
Fendt 930 Vario Gen7
WAM968###00F01001-
Fendt 933 Vario Gen7
WAM969###00F01001-
Fendt 936 Vario Gen7
WAM970###00F01001-
Fendt 939 Vario Gen7
WAM971###00F01001-
Fendt 942 Vario Gen7
WAM972###00F01001-
VIN Number: 968 969 970 971
Parts Number: 737829
Publication Date: August 2021
Page: 15 Pages
The Bookmarks of Fendt 900 Vario Gen7 VIN 968 969 970 971 Pneumatic Circuit Diagram:
1.1 List of pneumatic components
1.2 Pneumatic diagram - H221PS0042001 (maximum equipment)
1.3 Pneumatic diagram - H221PS0042001 (basic equipment)
1.4 Tire pressure monitoring system
1.5 Diagram - reverse drive system
1.6 Diagram - quick-release coupling (Italian version)


