Gehl GE602 Parts Manual 918041_2023
Size: 17.06 MB
Language: English
Machine: Excavator
Machine Model: GE602
Part Number: 918041
Publication Date: 2023
Pages: 325 Pages
The Bookmarks of Gehl GE602 Parts Manual 918041_2023:
INTRODUCTION
DECALS
DECAL LOCATIONS - GENERAL INFORMATION
DECAL LOCATIONS (1/3)
DECAL LOCATIONS (2/3)
DECAL LOCATIONS (3/3)
FILTERS, GASKETS & SEALS
UNDERCARRIAGE, RUBBER TRACK 1000116748 - (SN AB02095 AND UP)
UNDERCARRIAGE, RUBBER TRACK 1000116747 - (SN AB02094 AND BEFORE)
UNDERCARRIAGE, STEEL TRACK (OPTION) 1000116750 - (SN AB02095 AND UP)
UNDERCARRIAGE, STEEL TRACK (OPTION) 1000116749 - (SN AB02094 AND BEFORE)
SUPPORTING ROLLER 1000116207
TRACK TENSIONER, RUBBER TRACK 1000115753
TRACK TENSIONER, STEEL TRACK (OPTION) 1000115754 - (SN AB01588 AND UP)
TRACK TENSIONER, STEEL TRACK (OPTION) 1000116211 - (SN AB01587 AND BEFORE)
BOTTOM ROLLER 1000116215
DOZER BLADE 1000116740
CHASSIS 1000116753
CHASSIS COVERS 1000116743
LUBRICATION 1000116744
REAR WALL 1000116745
VALVE COVER 1000116754
COUNTERWEIGHT 1000116756
ENGINE HOOD 1000117106
HOSE COVER 1000117110
HYDRAULIC TANK COVER 1000117109
ISOLATION MATS 1000151766
TOOL BOX 1000116760
TOOL BOX (A/C) 1000116761
BOOM 1000117114
DIPPER ARM 1000117128
CONNECTING LINK 1000116766
CAB MOUNTING 1000116249
MAIN WIRE HARNESS 1000116781
CAB 1000116253 - (CAB SN 45764 AND UP)
CAB 1000116769 - (CAB SN 45763 AND BEFORE)
CAB 1000116774 (COMPONENTS - ALL SERIAL NUMBERS)
CAB 1000116261 - (SN AB01940 AND UP)
CAB 1000116259 - (SN AB01939 AND BEFORE)
FRONT WINDOW 1000116265
CAB WINDOWS 1000116268 & 1000116269
CAB SLIDING WINDOW 1000116271
CAB DOOR 1000116274 - (SN AB01940 AND UP)
CAB DOOR 1000116273 - (SN AB01939 AND BEFORE)
CAB INTERIOR COVER TRIM 1000116277 - (SN AB01940 AND UP)
CAB INTERIOR COVER TRIM 1000116276 - (SN AB01939 AND BEFORE)
ROTATING BEACON (OPTION) 1000144744
HEATER 1000116798
OPERATOR’S SEAT 1000116801 - (SN AB01940 AND UP)
OPERATOR’S SEAT 1000116800 - (SN AB01939 AND BEFORE)
BLOWER 1000151765
BLOWER MOUNTING KIT 1000116802
AIR CONDITIONING INSTALLATION (OPTION) 1000111541
AIR CONDITIONING ADDITIONAL PARTS (OPTION) 1000116806
AIR CONDITIONING INSTALLATION (OPTION) 1000116807
DIESEL ENGINE 1000116804
ENGINE MOUNTS 1000116816
CYLINDER HEAD 1000150316
CYLINDER BLOCK 1000150315
SEAL CRANKSHAFT 1000177641
OIL PAN 1000125778
CAMSHAFT 1000177639
CRANKSHAFT & PISTONS 1000146575
LUBRICATION 1000150320
COOLING SYSTEM 1000154961
FUEL INJECTION SYSTEM 1000150372
FUEL SYSTEM 1000150374
DIESEL TANK 1000116809
FUEL SUPPLY 1000116813
THROTTLE LEVER 1000116815
AIR INTAKE SYSTEM (NO A/C) 1000116818
A/C AIR INTAKE SYSTEM (OPTION) 1000116819
EXHAUST SYSTEM 1000143180 - (SN AB01903 AND UP)
EXHAUST SYSTEM 1000117193 - (SN AB01902 AND BEFORE)
HYDRAULIC PUMP DRIVE 1000116824
HYDRAULIC PUMP 1000116847
HYDRAULIC PUMP INTERNAL PARTS 1000173703
RADIATOR 1000116817
HYDRAULIC OIL TANK 1000116826
SWIVEL JOINT 1000116309 & 1000116310
OIL COOLER 1000116828 - (SN AB00739 AND UP)
OIL COOLER 1000116827 - (SN AB00738 AND BEFORE)
TURNTABLE DRIVE UNIT 1000116849 - (SN AB01533 AND UP)
TURNTABLE DRIVE UNIT 1000116848 - (SN AB01532 AND BEFORE)
DRIVE MOTOR 1000116840
VALVE BLOCK 1000116858
VALVE BLOCK INSTALLATION 1000116852
VALVE BLOCK SECTIONS 1000116854
VALVE BLOCK SECTION CONNECTIONS 1000181951
DISTRIBUTION BLOCK 1000116861
BATTERY 1000116980
REVERSING VALVE 1000116863
DOZER BLADE VALVE 1000116337 - (SN AB01940 AND UP)
DOZER BLADE VALVE 1000116335 - (SN AB01939 AND BEFORE)
JOYSTICK 1000116334
PILOT VALVE, TRAVEL 1000116339
AUXILIARY HYDRAULICS PILOT VALVE 1000116872
PILOT OIL SUPPLY UNIT 1000116857
4/3 VALVE (OPTION) 1000116341 - (SN AB00960 AND UP)
SOLENOID VALVE (OPTION) 1000117651 - (SN AB00959 AND BEFORE)
ISO/SAE PATTERN VALVE 1000116875
BUCKET CYLINDER 1000116887
BOOM CYLINDER 1000116882
BOOM CYLINDER (OPTION) 1000116883
DIPPER ARM CYLINDER 1000116886 - (SN AD01490 AND UP)
DIPPER ARM CYLINDER 1000117269 - (SN AB01489 AND BEFORE)
BOOM OFFSET CYLINDER 1000116889
DOZER BLADE CYLINDER 1000116894
TURNTABLE DRIVE UNIT HOSE INSTALLATION 1000116838 - (SN AB01533 AND UP)
TURNTABLE DRIVE UNIT HOSE INSTALLATION 1000116837 - (SN AB01532 AND BEFORE)
HYDRAULIC PUMP HOSE INSTALLATION 1000116835
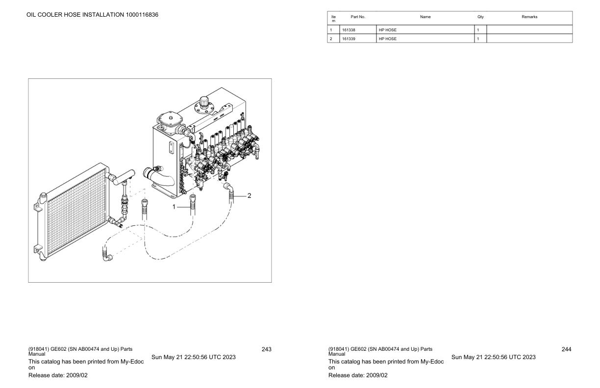
OIL COOLER HOSE INSTALLATION 1000116836
TRAVEL MOTOR HOSE INSTALLATION 1000116839
CONTROL VALVE HOSE INSTALLATION 1000116921
VALVE HOSE INSTALLATION 1000116924 - (SN AB01533 AND UP)
VALVE HOSE INSTALLATION 1000116923 - (SN AB01532 AND BEFORE)
PILOT OIL SUPPLY HOSE INSTALLATION 1000116924
BOOM OFFSET CYLINDER HOSE INSTALLATION 1000116928
DOZER BLADE CYLINDER HOSE INSTALLATION 1000116373
BOOM HOSE INSTALLATION 1000116933
HAND LEVERS HOSE INSTALLATION 1000116940
ISO/SAE VALVE HOSE INSTALLATION 1000116941
PILOT PRESSURE HOSE INSTALLATION 1000116943
ELECTRICAL AUXILIARY HOSE INSTALLATION (OPTION) 1000117947
PILOT CONTROL (OPTION) 1000116956
ENGINE WIRE HARNESS 1000117800
RIGHT ARMREST WIRE HARNESS 1000116966 - (SN AB01940 AND UP)
RIGHT ARMREST WIRE HARNESS 1000116964 - (SN AB011939 AND BEFORE)
LEFT ARMREST WIRE HARNESS 1000116968
LEFT ARMREST WIRE HARNESS (OPTION) 1000116969
CHASSIS WIRE HARNESS 1000116972
RELAY BOX 1000116974
RELAY BOX INSTALLATION 1000116976
CHASSIS WORK LIGHT 1000116977
BOOM WORK LIGHT 1000116978
CAB WORK LIGHT (OPTION) 1000116979
HORN 1000116982
TOOLS 1000116984
TORQUE SPECIFICATIONS
Appendix A:Pages Index
Appendix B:Parts Index
#more Product: Gehl Operators Manual, Parts Catalog, Service Manual, Wiring Diagram


