Grove AT990 Pneumatic Hydraulic Electrical Schematics PDF
Data Size: 1.82 MB
File Type: PDF
Language: English
Manufacturer: Grove
Document: Pneumatic Schematic, Hydraulic Schematic, Electrical Schematic
Applicable Machine: Crane
Machine Model: Grove AT 990 Crane
List Contents:
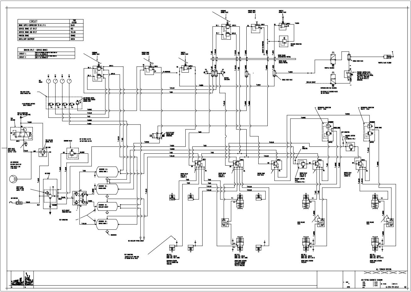
6294992212 - Air Piping Schematic Diagram
6294992791 - Schematic Wiring Carrier Merc.
6294992792 - Schematic Wiring Turntable Merc.
6294992902 - Hydraulic Schematic Turntable


